产品介绍
DMF电磁脉冲阀是脉冲袋式除尘设备中在低压气源压力条件下使用的双膜片快速脉冲阀。受脉冲喷吹控制仪输出信号的控制,对滤袋逐排喷吹清灰,使除尘器的阻力保持在设定的范围之内,以保证除尘器的处理能力和收尘效率。
脉冲阀由电磁阀、小阀体、大阀体、小膜片、弹簧、大膜片构成,阀体材质为合金铝。
DMF-Z型电磁脉冲阀为直角式阀,其进出口之间的夹角为90度,适合于气包与除尘器喷吹管的安装连接。气流畅通,能提供复合要求的清灰气脉冲。
DMF-Y型电磁脉冲阀为淹没式(亦称嵌入式阀),淹没式电磁脉冲阀,它直接安装在分气箱上,具有更好的流通特性。压力损失有所下降,适合于气源压力较低的工作场合。
DMF电磁脉冲阀主要性能规范
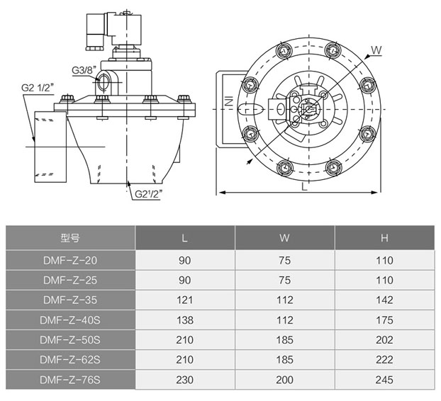
| 型号 | DMF-Z-20 | DMF-Z-25 | DMF-Z-35 | DMF-Z-40S | DMF-Z-50S | DMF-Z-62S | DMF-Z-72S |
| 工作压力 | 0.3~0.8Mpa | ||||||
| 环境温度 | -5~55℃ | ||||||
| 相对温度 | <85% | ||||||
| 使用介质 | 清洁空气或氮气 | ||||||
| 电压 | AC110V/AC220V/DC24V | ||||||
| 膜片寿命 | 喷吹100万次以上 | ||||||
DMF电磁脉冲阀外形结构尺寸
声明:本文中所有文字、数据、图片均只适用于参考。询价提供相关产品参数:产品名称、型号、口径、材质、介质、压力、温度、连接标准、数量等,如对产品有特殊要求,请在询价时一并提出。或者使用场合非常重要或环境比较复杂,请您尽量提供设计图纸和详细参数,由我们专业工程师为您审核选型。
感谢访问我司网站,如你对该产品还有任何疑问可致电我们,我们将为您提供优质的售前咨询服务。咨询手机:15002111058;电话:021-56051151。
更多产品






