ZCRB燃气紧急切断阀是一种用于紧急切断燃气供应的阀门,其主要原理是通过关闭阀门来切断燃气的流动,防止燃气爆炸发生的装置。主要应用如下:
1、与可燃气体泄漏监测仪器相连接。当仪器检测到可燃气体泄漏时,自动快速关闭主供气体阀门,切断燃气的供给,及时制止恶性事故的发生。
2、与热力设备的极限温度(或压力)安全控制器相连接。当设备内检测温度或压力超过设定的极限数值时,自动快速关闭供气阀门,停止燃料的供给。
3、与高层建筑的中央消防报警系统相连接。当大厦发生危情时,自动切断大厦内的燃气供应,防止燃气爆炸的发生。
4、在城市或工厂的燃气供应管网内设置ZCR燃气紧急切断阀,在在中央控制室内集中控制,远距离遥控,紧急关闭事故现场的管线供应。
ZCR系列切断阀是常开型脉冲触发式电磁阀,具有事故自锁及手动复位功能。其工作原理:
1、切断阀在日常 作中处于常开状态,电磁线圈处于断开状态,不消耗电能。
2、当事故发生时,切断阀线圈瞬间通电,触发切断阀快速关闭,不会重新自动打开。
3、再接通气源时,人工重新向上提拉复位杆,听到“咔”的一声表明阀已打开,此时松开也不会切断,开启阀门,恢复供气。
ZCRB燃气紧急切断阀技术参数:
产品结构:直动式
公称压力:1.6Mpa
工作压差:0~0.05Mpa
工作介质:煤气、天然气、液化石油气等无腐蚀性气液体
关闭时间:<1秒 介质温度:-15℃~60℃
打开方式:手动复位或电动复位
电源电压:AC220VA、DC24V、DC12V
安全等级:普通性 Ex型
控制方式:不间断输出或脉冲式电磁力
ZCRB燃气紧急切断阀管道装配

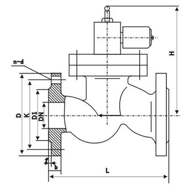
ZCRB燃气紧急切断阀外形结构尺寸
| DN | D1 | K | D | b | f | n-d | L | H |
| 25 | 65 | 85 | 115 | 16 | 3 | 4φ14 | 160 | 180 |
| 32 | 76 | 100 | 140 | 18 | 3 | 4φ18 | 180 | 195 |
| 40 | 84 | 110 | 150 | 18 | 3 | 4φ18 | 200 | 205 |
| 50 | 99 | 125 | 165 | 20 | 3 | 4φ18 | 230 | 220 |
| 65 | 118 | 145 | 185 | 20 | 3 | 4φ18 | 290 | 245 |
| 80 | 132 | 160 | 200 | 20 | 3 | 4φ18 | 310 | |
| 100 | 156 | 180 | 220 | 22 | 3 | 4φ18 | 350 | |
| 125 | 184 | 210 | 250 | 22 | 3 | 4φ18 | 400 | |
| 150 | 211 | 240 | 285 | 24 | 3 | 4φ22 | 480 | |
| 200 | 266 | 295 | 340 | 24 | 3 | 4φ22 | 495 | |
| 250 | 319 | 355 | 405 | 26 | 3 | 4φ26 | 622 | |
| 300 | 370 | 410 | 460 | 28 | 4 | 4φ26 | 698 | |
| 350 | 429 | 470 | 520 | 30 | 4 | 4φ26 | 787 | |
| 400 | 480 | 525 | 580 | 32 | 4 | 4φ30 | 914 | |
| 450 | 548 | 585 | 640 | 34 | 4 | 4φ30 | 978 | |
| 500 | 609 | 650 | 715 | 36 | 4 | 4φ33 | 978 | |
| 600 | 720 | 770 | 840 | 38 | 5 | 4φ36 | 1295 |
声明:本文中所有文字、数据、图片均只适用于参考。询价提供相关产品参数:产品名称、型号、口径、材质、介质、压力、温度、连接标准、数量等,如对产品有特殊要求,请在询价时一并提出。或者使用场合非常重要或环境比较复杂,请您尽量提供设计图纸和详细参数,由我们专业工程师为您审核选型。
感谢访问我司网站,如你对该产品还有任何疑问可致电我们,我们将为您提供优质的售前咨询服务。咨询手机:15002111058;电话:021-56051151。






