产品介绍
D41F-10P/D41F-16P手动法兰蝶阀,不锈钢法兰蝶阀,衬四氟法兰蝶阀,驱动装置是手柄,启闭迅速,精确开关,流量控制;阀体304不锈钢,坚固耐用,有很好的耐腐蚀性;密封材质为PTFE,耐高温耐腐蚀,不沾附无毒害。该体型可通用PN10/PN16,日标5K/10K,美标150LB的连接标准。经常被用于一些具有严重腐蚀性介质液体和气体的使用场合,如:硫酸、氢氟酸、磷酸、氯气、强碱、王水等具有强腐的工业管道中的输送。
手动法兰蝶阀-手柄法兰蝶阀,又叫翻板阀,是一种结构简单的调节阀,可用于低压管道介质的开关控制的蝶阀,D41F-16P衬氟法兰蝶阀的工作原理是关闭件(阀瓣或蝶板)为圆盘,圆盘式启闭件往复回转90°左右来开启、关闭或调节介质流量。
D41F-10P/D41F-16P手动法兰蝶阀性能规范
D41F-10P/D41F-16P手动法兰蝶阀,不锈钢法兰蝶阀,衬四氟法兰蝶阀| 阀体 | 304 |
| 阀板 | 304 |
| 密封 | PTFE |
| 工作压力 | PN10/PN16 |
| 适用温度 | -20°~150° |
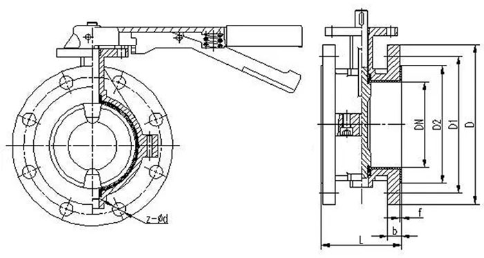
D41F-10P/D41F-16P手动法兰蝶阀外形结构尺寸
| 公称通经 | L | D | D1 | D2 | f | b | Z-φd | D | D1 | D2 | f | b | Z-φd | |
| DN(mm) | NPS(inch) | PN1.0MPa | PN1.6MPa | |||||||||||
| 50 | 2 | 108 | 160 | 125 | 100 | 3 | 20 | 4-φ18 | 160 | 125 | 100 | 3 | 20 | 4-φ18 |
| 65 | 5/2 | 112 | 180 | 145 | 120 | 3 | 20 | 4-φ18 | 180 | 145 | 120 | 3 | 20 | 4-φ18 |
| 80 | 3 | 114 | 195 | 160 | 135 | 3 | 22 | 4-φ18 | 195 | 160 | 135 | 3 | 22 | 8-φ18 |
| 100 | 4 | 127 | 215 | 180 | 155 | 3 | 22 | 8-φ18 | 215 | 180 | 155 | 3 | 24 | 8-φ18 |
| 125 | 5 | 140 | 245 | 210 | 185 | 3 | 24 | 8-φ18 | 245 | 210 | 185 | 3 | 26 | 8-φ18 |
| 150 | 6 | 140 | 280 | 240 | 210 | 3 | 24 | 8-φ23 | 280 | 240 | 210 | 3 | 28 | 8-φ18 |
| 200 | 8 | 152 | 335 | 295 | 265 | 3 | 26 | 8-φ23 | 335 | 295 | 265 | 3 | 30 | 12-φ23 |
| 250 | 10 | 250 | 390 | 350 | 320 | 3 | 28 | 12-φ23 | 405 | 355 | 320 | 3 | 32 | 12-φ25 |
| 300 | 12 | 270 | 440 | 400 | 368 | 3 | 28 | 12-φ23 | 460 | 410 | 375 | 4 | 34 | 12-φ25 |
声明:本文中所有文字、数据、图片均只适用于参考。询价提供相关产品参数:产品名称、型号、口径、材质、介质、压力、温度、连接标准、数量等,如对产品有特殊要求,请在询价时一并提出。或者使用场合非常重要或环境比较复杂,请您尽量提供设计图纸和详细参数,由我们专业工程师为您审核选型。
感谢访问我司网站,如你对该产品还有任何疑问可致电我们,我们将为您提供优质的售前咨询服务。咨询手机:15002111058;电话:021-56051151。
更多产品






