IP68防水型电动蝶阀是由IP68防水电动执行器和不锈钢板法兰蝶阀组成,不但能抵抗户外较大的温度差异,而且防潮湿和防水淹能力很强,可在10米的水下连续工作,防护等级达到IP68,更有效的防止水在进入接线口后对执行器内部零件造成损害,用于控制0°~270°旋转的阀门。
IP68防水电动执行器是针对户外环境专门研发的新型产品,它不但能抵抗户外较大的温度差异,而且防潮湿和防水淹能力很强,可在10米的水下连续工作,防护等级达到IP68,更有效的防止水在进入接线口后对执行器内部零件造成损害,用于控制0°~270°旋转的阀门及其他同类产品。如蝶阀、球阀、风门、挡板阀、旋塞阀、百叶阀等,可以用于石油、化工、水处理、船舶、造纸、电站、供热、轻工等化工行业。它以380V、220V、110V交流电为驱动电源,以4~20mA电流信号或0-10VDC电压信号为控制信号,可使阀门运动到所需位置,实现自动化控制,输出扭距高达4000N.m。
IP68防水型电动蝶阀主要性能规范
| 型号电源 性能参数 | *10 | *16 | |||||
| AC-DC24V | AC110V | AC220V | AC380V | AC-DC24V | AC220V | AC380V | |
| 电机功率 | 25W | 25W | 25W | 15W | 40W | 40W | 30W |
| 额定电流 | 2.12A | 0.57A | 0.30A | 0.10A | 0.63A | 0.35A | 0.19A |
|
标准时间 /力矩 |
30S/100N.M | 30S/160N.M | |||||
|
可选时间 /力矩 |
15S/50N.M | 15S/50N.M 60S/100N.M | 15S/80N.M | 15S/80N.M 60S/160N.M | |||
| 回转角度范围 | 0-90°可调 | ||||||
| 电流容量 | 2Ah | ||||||
| 可选控制电路 | A型、B型、C型、D型、E型、F型、H型 | ||||||
| 整机重量 | 5.0KG | 5.2KG | |||||
| 绝缘电阻 | 100MΩ | ||||||
| 耐压等级 | AC-DC24V:500VAC 1分钟 AC110V AC220V:1500VAC 1分钟 AC380V:1800VAC 1分钟 | ||||||
| 防护等级 | IP67(可选IP68) | ||||||
| 安装方法 | 360°任意角度安装 | ||||||
| 环境温度 | 负20℃-正60℃ | ||||||
| 选装功能 | 过力矩保护、除湿加热器 | ||||||
| 零件名称 | 材料 |
| 阀体 | 球墨铸铁、铸钢、不锈钢 |
| 蝶板 | 灰铸铁、球墨铸铁、铸钢、不锈钢及特殊材料 |
| 密封圈 | 各种橡胶、聚四氟乙烯 |
| 阀杆 | 2Cr13、不锈钢 |
| 填料 | 0型圈、柔性石墨 |
| 材料品种 | 氯丁橡胶 | 丁腈橡胶 | 乙丙橡胶 | 聚四氟乙烯 | 硅橡胶 | 氟橡胶 |
| 代号 | ×或 0rJ | XA或orJA | XB或orJB | xC、JC或0rF | XD或orJD | × E或orJE |
| 耐z高温度 | 82℃ | 93℃ | 150℃ | 232℃ | 250℃ | 204℃ |
| 耐z低温度 | -40℃ | -40℃ | -40℃ | -268℃ | -70℃ | -23℃ |
| 适用工作温度 | ≤65℃ | ≤80℃ | ≤120℃ | ≤200℃ | ≤200℃ | ≤180℃ |
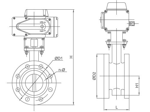
IP68防水型电动蝶阀外形结构尺寸
| 公称通径 | 结构长度 | 外形尺寸(参考值) | 连接尺寸 | |||||||||||||||
| 0.6MPa | 1.0 MPa | 1.6 MPa | ||||||||||||||||
| mm | inch | L | H | Ho | A | B | D | D1 | D2 | n-d | D | D1 | D2 | n-d | D | D1 | D2 | n-d |
| 50 | 2 | 108 | 82.5 | 443 | 125 | 125 | 140 | 110 | 88 | 4-14 | 165 | 125 | 99 | 4-18 | 165 | 125 | 99 | 4-18 |
| 65 | 21/ | 112 | 92.5 | 463 | 125 | 125 | 160 | 130 | 108 | 4-14 | 185 | 145 | 118 | 4-18 | 185 | 145 | 118 | 4-18 |
| 80 | 3 | 114 | 100 | 483 | 125 | 125 | 190 | 150 | 124 | 4-18 | 200 | 160 | 132 | 8-18 | 200 | 160 | 132 | 8-18 |
| 100 | 4 | 127 | 110 | 498 | 125 | 125 | 210 | 170 | 144 | 4-18 | 220 | 180 | 156 | 8-18 | 220 | 180 | 156 | 8-18 |
| 125 | 5 | 140 | 125 | 682 | 325 | 245 | 240 | 200 | 174 | 8-18 | 250 | 210 | 184 | 8-18 | 250 | 210 | 184 | 8-18 |
| 150 | 6 | 140 | 142.5 | 736 | 325 | 245 | 265 | 225 | 199 | 8-18 | 285 | 240 | 211 | 8-22 | 285 | 240 | 211 | 8-22 |
| 200 | 8 | 152 | 170 | 800 | 325 | 245 | 320 | 280 | 254 | 8-18 | 340 | 295 | 266 | 8-22 | 340 | 295 | 266 | 12-22 |
| 250 | 10 | 165 | 197.5 | 895 | 363 | 313 | 375 | 335 | 309 | 12-18 | 395 | 350 | 319 | 12-22 | 405 | 355 | 319 | 12-26 |
| 300 | 12 | 178 | 222.5 | 956 | 363 | 313 | 440 | 395 | 363 | 12-22 | 445 | 400 | 370 | 12-22 | 460 | 410 | 370 | 12-26 |
| 350 | 14 | 190 | 252.5 | 1029 | 363 | 313 | 490 | 445 | 413 | 12-22 | 505 | 460 | 429 | 16-22 | 520 | 470 | 429 | 16-26 |
| 400 | 16 | 216 | 282.5 | 1103 | 363 | 313 | 540 | 495 | 463 | 16-22 | 565 | 515 | 480 | 16-26 | 580 | 525 | 480 | 16-30 |
| 450 | 18 | 222 | 307.5 | 1186 | 465 | 439 | 595 | 550 | 518 | 16-22 | 615 | 565 | 530 | 20-26 | 640 | 585 | 548 | 20-30 |
| 500 | 20 | 229 | 335 | 1280 | 546 | 431 | 645 | 600 | 568 | 20-22 | 670 | 620 | 582 | 20-26 | 715 | 650 | 609 | 20-33 |
| 600 | 24 | 267 | 390 | 1321 | 546 | 556 | 755 | 705 | 667 | 20-26 | 780 | 725 | 682 | 20-30 | 840 | 770 | 720 | 20-36 |
| 700 | 28 | 430 | 447.5 | 1431 | 546 | 556 | 860 | 810 | 772 | 24-26 | 895 | 840 | 794 | 24-30 | 910 | 840 | 794 | 24-36 |
| 800 | 32 | 470 | 507.5 | 1542 | 546 | 556 | 975 | 920 | 878 | 24-30 | 1015 | 950 | 901 | 24-33 | 1025 | 950 | 901 | 24-39 |
| 900 | 36 | 510 | 557.5 | 1800 | 617 | 706 | 1075 | 1020 | 978 | 24-30 | 1115 | 1050 | 1001 | 28-33 | 1125 | 1050 | 1001 | 28-39 |
| 1000 | 40 | 550 | 615 | 2363 | 632 | 706 | 1175 | 1120 | 1078 | 28-30 | 1230 | 1160 | 1112 | 28-36 | 1255 | 1170 | 1112 | 28-42 |
| 1200 | 48 | 630 | 727.5 | 2583 | 632 | 706 | 1405 | 1340 | 1295 | 32-33 | 1455 | 1380 | 1328 | 32-39 | 1485 | 1390 | 1328 | 32-48 |
| 1400 | 56 | 710 | 837.5 | 2710 | 790 | 1338 | 1630 | 1560 | 1510 | 36-36 | 1675 | 1590 | 1530 | 36-42 | 1685 | 1590 | 1530 | 36-48 |
| 1600 | 64 | 790 | 957.5 | 2845 | 868 | 1476 | 1830 | 1760 | 1710 | 40-36 | 1915 | 1820 | 1750 | 40-48 | 1930 | 1820 | 1750 | 40-56 |
| 1800 | 72 | 870 | 1057 | 3060 | 868 | 1476 | 2045 | 1970 | 1918 | 44-39 | 2115 | 2020 | 1950 | 44-18 | 2130 | 2020 | 1950 | 44-56 |
| 2000 | 80 | 950 | 1162.5 | 3350 | 965 | 1600 | 2265 | 2180 | 2125 | 48-42 | 2325 | 2230 | 2150 | 48-48 | 2345 | 2230 | 2150 | 48-62 |
声明:本文中所有文字、数据、图片均只适用于参考。询价提供相关产品参数:产品名称、型号、口径、材质、介质、压力、温度、连接标准、数量等,如对产品有特殊要求,请在询价时一并提出。或者使用场合非常重要或环境比较复杂,请您尽量提供设计图纸和详细参数,由我们专业工程师为您审核选型。
感谢访问我司网站,如你对该产品还有任何疑问可致电我们,我们将为您提供优质的售前咨询服务。咨询手机:15002111058;电话:021-56051151。






