气动盲板阀F643X|烟气管道气动扇形盲板阀|扇型翻板阀是一款采用气动驱动的管道截断设备,主要用于可靠切断气体介质(如煤气、烟气等)的流动,适用于冶金、化工、环保等行业的管路系统。
组成部分:左阀体、右阀体、丝杆副、扇形阀板、密封圈、杠杆、气缸。
构成方式:通过三根丝杆将左阀体、右阀体、扇形盲板连成一体,三个丝杆中,上面一根丝杆装有盲板。与底座和支撑柱构成一个刚性结构体。
驱动方式:设有三个气缸:夹紧气缸、松开气缸、翻板气缸。夹紧气缸和松开气缸通过杠杆副和丝杆螺旋副驱动左右阀体完成松开和夹紧动作。翻板气缸驱动阀板完成开关动作。丝杆螺母夹紧机构:具备自锁功能,动作迅速且可靠性高
密封性:密封部位采用不锈钢和硅胶圈,密封性能可靠。硅橡胶密封圈设在阀板上,方便更换。
特色:本阀可单台远距离控制,也可以多台联网远距离控制。非正常情况下,还可以利用阀门本身装置手动操作。
盲板阀广泛应用于工矿企业、市政、环保等行业的气体介质管路系统中,尤其适用于有害、有毒、易燃气体的切断。其结构新颖、重量轻、体积小、操作方便、动作迅速、切断气体性能可靠等特点,使其在这些场景中表现出色。
上海工开阀门生产的盲板阀有手动盲板阀 F43X、F43CX、 F43AX、 F43BX,电动盲板阀 F9T43X、 F9L43X 、气动盲板阀 F643X 、液动盲板阀 F743X 、电液动盲板阀 F243X。
工作原理: 气动盲板阀通过气动组件驱动阀体分离、阀板旋转及再夹紧的联动动作,结合高刚性结构与自锁密封设计,实现管道介质的高效安全截断。
气动盲板阀F643X|烟气管道气动扇形盲板阀|扇型翻板阀性能参数:
| 公称压力MPa | 0.25 | 0.15 | 0.10 | 0.05 |
| 密封试验压力MPa | 0.275 | 0.165 | 0.11 | 0.055 |
| 强度试验压力MPa | 0.40 | 0.225 | 0.15 | 0.075 |
| 适用温度℃ | 丁腈橡胶 | 硅橡胶 | 氟橡胶 | |
| <120 | <250 | <300 | ||
| 适用介质 | 煤气等有毒、有害、易燃气体 | |||
| 采用标准 | 连接法兰尺寸符合JB/T81-94标准,检测方法符合GB/T13927-92标准 | |||
| 主要零部件材料 | 阀体、闸板为碳钢;连接轴、伸缩器为碳钢或不锈钢;密封圈为橡胶 | |||
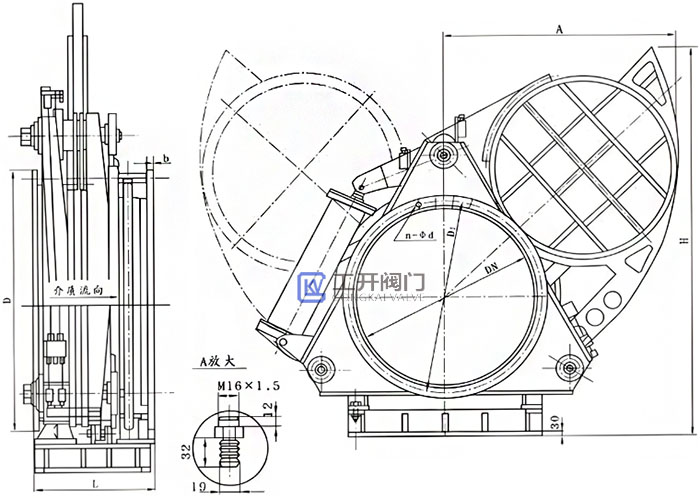
气动盲板阀F643X|烟气管道气动扇形盲板阀|扇型翻板阀外形尺寸和结构图
| DN | D | D1 | b | n-φd | L | A | H |
| 300 | 440 | 395 | 16 | 12-φ22 | 450 | 480 | 720 |
| 350 | 490 | 445 | 16 | 12-φ22 | 450 | 520 | 810 |
| 400 | 540 | 495 | 16 | 16-φ22 | 450 | 600 | 920 |
| 450 | 595 | 550 | 20 | 16-φ22 | 500 | 658 | 995 |
| 500 | 645 | 600 | 20 | 20-φ22 | 500 | 712 | 1102 |
| 600 | 755 | 705 | 20 | 20-φ26 | 600 | 920 | 1500 |
| 700 | 860 | 810 | 20 | 24-φ26 | 600 | 970 | 1600 |
| 800 | 975 | 920 | 22 | 24-φ30 | 800 | 1100 | 1850 |
| 900 | 1075 | 1020 | 22 | 24-φ30 | 800 | 1200 | 1980 |
| 1000 | 1175 | 1120 | 22 | 28-φ30 | 800 | 1320 | 2200 |
声明:本文中所有文字、数据、图片均只适用于参考。询价提供相关产品参数:产品名称、型号、口径、材质、介质、压力、温度、连接标准、数量等,如对产品有特殊要求,请在询价时一并提出。或者使用场合非常重要或环境比较复杂,请您尽量提供设计图纸和详细参数,由我们专业工程师为您审核选型。
感谢访问我司网站,如你对该产品还有任何疑问可致电我们,上海工开阀门将为您提供优质的售前咨询服务。咨询手机:15002111058;电话:021-56051151。






