手动盲板阀|眼镜阀|F43X手动扇形盲板阀是一种闸板阀,主要用于气体介质的切断,特别是在工矿企业、市政、环保等行业中,用于切断有害、有毒、易燃等气体,系GB6222《工业企业煤气安全规程》要求的可靠切断气体介质的设备。。亦适宜做管道终端的盲板,以缩短检修时间或方便连接管路。该系列扇形眼镜阀与其他在管路中做切断的阀门设备相比,结构新颖、重量轻、体积小、操作方便、动作迅速、切断气体性能可靠的特点。
手动盲板阀|眼镜阀|F43X手动扇形盲板阀广泛应用于工矿企业、市政、环保等行业的气体介质管路系统中,尤其适用于有害、有毒、易燃气体的切断。其结构新颖、重量轻、体积小、操作方便、动作迅速、切断气体性能可靠等特点,使其在这些场景中表现出色。
手动盲板阀|眼镜阀|F43X手动扇形盲板阀工作原理:F43X盲板阀由左阀体、右阀体、中阀体和连接螺杆组成。通过旋转连接螺杆,使左右阀体完成夹紧和松开动作,利用阀板上盲板和通孔板的位置变换达到启闭目的。
上海工开阀门生产的盲板阀有手动盲板阀 F43X、F43CX、 F43AX、 F43BX,电动盲板阀 F9T43X、 F9L43X 、气动盲板阀 F643X 、液动盲板阀 F743X 、电液动盲板阀 F243X。
手动盲板阀操作方法及注意事项:
1、用扳手依次逆时针旋动三个连接螺杆,使阀体与闸板分离并有均衡,适量的间隙(16mm左右)。确认后转动闸板到工作位置,反向旋动连接螺杆,使闸板与阀体紧密接触,达到绝对密封的目的。
2、橡胶密封圈不得与阀体粘连或发生硬摩擦,以防止损坏橡胶密封圈,破坏阀门的工作性能。
3、左右阀体松开时,介质要外溢,为确保安全,应在关闭时,请先关闭眼镜阀前的煤气蝶阀,同时请采用通风和其它能保证安全的措施。
橡胶密封圈不得与阀体粘连或发生摩擦,以防止损坏橡胶密封圈,破坏阀门的工作性能。
左右阀本松开时,介质要外溢,为确保安全,应在关闭时,请先关闭盲板阀前的煤气蝶阀,同时请采取,通风和其它能保证安全措施。
手动盲板阀|眼镜阀|F43X手动扇形盲板阀性能参数:
| 公称压力MPa | 0.25 | 0.15 | 0.10 | 0.05 |
| 密封试验压力MPa | 0.275 | 0.165 | 0.11 | 0.055 |
| 强度试验压力MPa | 0.40 | 0.225 | 0.15 | 0.075 |
| 适用温度℃ | 丁腈橡胶 | 硅橡胶 | 氟橡胶 | |
| <120 | <250 | <300 | ||
| 适用介质 | 煤气等 | |||
| 采用标准 | 连接法兰尺寸符合JB/T81-94标准,检测方法符合GB/T13927-92标准 | |||
| 主要零部件材料 | 阀体、闸板为碳钢;连接轴、伸缩器为碳钢或不锈钢;密封圈为橡胶 | |||
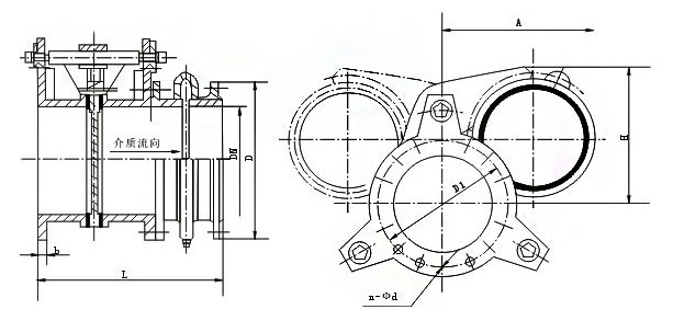
手动盲板阀|眼镜阀|F43X手动扇形盲板阀外形尺寸和结构图
| DN | D | D1 | b | n-φd | 短系列 L |
| 100 | 210 | 170 | 12 | 4-φ18 | 210 |
| 150 | 265 | 225 | 14 | 8-φ18 | 210 |
| 200 | 320 | 280 | 14 | 8-φ18 | 230 |
| 250 | 375 | 335 | 14 | 12-φ18 | 250 |
| 300 | 440 | 395 | 16 | 12-φ22 | 270 |
| 350 | 490 | 445 | 16 | 12-φ22 | 290 |
| 400 | 540 | 495 | 16 | 16-φ22 | 310 |
| 450 | 595 | 550 | 20 | 16-φ22 | 330 |
| 500 | 645 | 600 | 20 | 20-φ22 | 350 |
| 600 | 755 | 705 | 20 | 20-φ26 | 370 |
| 700 | 860 | 810 | 20 | 24-φ26 | 390 |
| 800 | 975 | 920 | 22 | 24-φ30 | 410 |
| 900 | 1075 | 1020 | 22 | 24-φ30 | 430 |
| 1000 | 1175 | 1120 | 22 | 28-φ30 | 450 |
| 1200 | 1375 | 1320 | 22 | 32-φ30 | 470 |
| 1400 | 1575 | 1520 | 26 | 36-φ30 | 490 |
| 1500 | 1675 | 1620 | 26 | 36-φ30 | 510 |
| 1600 | 1790 | 1730 | 26 | 40-φ30 | 530 |
| 1800 | 1990 | 1930 | 26 | 44-φ30 | 550 |
| 2000 | 2190 | 2130 | 26 | 48-φ30 | 570 |
声明:本文中所有文字、数据、图片均只适用于参考。询价提供相关产品参数:产品名称、型号、口径、材质、介质、压力、温度、连接标准、数量等,如对产品有特殊要求,请在询价时一并提出。或者使用场合非常重要或环境比较复杂,请您尽量提供设计图纸和详细参数,由我们专业工程师为您审核选型。
感谢访问我司网站,如你对该产品还有任何疑问可致电我们,上海工开阀门将为您提供优质的售前咨询服务。咨询手机:15002111058;电话:021-56051151。






