FF943X电动封闭式插板阀|全封闭式插板阀|煤气管路专用插板阀,为封闭式设计结构,阀体采用全封闭式外壳,操作过程管路的气体不外泄漏,避免了环境的污染,具有较好的抗管道外力强度,电动装置的设置在外部,以维护检查,人员近距离操作的安全性能较高。 阀门在设计上吸收了眼睛阀浮动阀板的优点;压紧传动机构采用;齿圈、齿轮、梯形螺纹丝杠副同步双向压紧。左、 右旋梯形螺纹丝杠同步压紧的优点是;起动力矩小,螺纹副自锁性好,阀门密封可靠。阀板移动采用销齿传动机构,不易积 灰,满足了粉尘多、润滑条件差、工作环境恶劣的场合使用。 本阀地面可配置防爆型控制柜,实行现场控制和远距离与PLC系统连接控制,设置距离10米以上设备。
上海工开阀门封闭式插板阀结构:插板阀由前阀体、后阀体、阀板、伸缩体、左右密封箱体、通板和盲板及切换装置、松开夹紧装置等组成。冶金阀门的松开夹紧装置采用电动装置驱动,通过链轮、链条与丝杆螺母副连接,驱动波纹管的伸缩来实现阀体密封座夹紧或松开。阀门采用链轮式多点夹紧机构,密封圈为双面密封,安装于阀板上,密封可靠,方便更换。阀板顶部导轨装有纵向和横向移动机构,侧面装有弹簧机构和限位轮。当松开夹紧机构将阀板松开时,弹簧机构顶浮阀板至限位轮。
封闭式插板阀特点——
1、阀门采用全封闭结构,操作时介质不会向外泄漏,操作安全环境污染。
2、阀体采用整体框架式结构,刚性好,能承受高的介质压力。
3、密封副部位采用不锈钢与橡胶密封,密封圈为双凸型密封可靠。
4、密封圈装在阀板上,便于更换。
5、伸缩体与固定套之间采用多层波纹管连接,适用寿命长,密封更可靠,波纹管内安装填料式耐磨套,粉尘不进入波纹管内。
6、夹紧机构采用闭环式多点夹紧,同步性好。
7、特制的控杆和顶轮机构,确保阀板运行无摩擦。
8、设有氮气吹扫孔,以便吹扫阀座和传动部位积灰,开启灵活。
9、底部设有排水管接口,将阀箱内积水排出。
10、夹紧、松开和阀板行走采用全电动驱动。操作方便,性能稳定,电装带手动机构,手、电动可实现无忧动切换。
FF943X电动封闭式插板阀|全封闭式插板阀|煤气管路专用插板阀性能参数:
| 公称通径 | DN300~2000 | |||
| 公称压力MPa | 0.05MPa | 0.1 MPa | 0.15 MPa | 0.25 MPa |
| 密封试验压力MPa | 0.055 MPa | 0.11 MPa | 0.165 MPa | 0.275 MPa |
| 强度试验压力MPa | 0.075 MPa | 0.15 MPa | 0.225 MPa | 0.375 MPa |
| 密封材料 | NBR橡胶 | 硅橡胶 | 氟橡胶 | 硬密封 |
| 适用温度 | -20-100℃ | -20-200℃ | -20-300℃ | -20-450℃ |
| 适用介质 | 空气、煤气、含尘煤气 及有毒、有害、易燃气体 | |||
| 电源电压 | 380V.AC 50HZ | |||
| 驱动方式 | 手动、电动、气动、电动推杆、电液动推杆 | |||
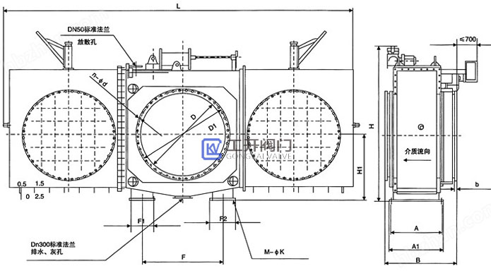
FF943X电动封闭式插板阀|全封闭式插板阀|煤气管路专用插板阀外形尺寸和结构图
| DN | D | D1 | Β | b | n-Φd | Η | H1 | L | A | A1 | F | F1 | F2 | Μ-ΦΚ | 功率(KW) | 重量(Kg) | ||
| 走板 | 夹板 |
PN0.05 PN0.10 |
PN 0.15 PN 0.25 |
|||||||||||||||
| 400 | 540 | 495 | 600 | 18 | 16-22 | 1250 | 510 | 2420 | 600 | 680 | 500 | 160 | 220 | 4-23 | 1.1 | 1.5 | 1080 | 1210 |
| 450 | 595 | 550 | 600 | 18 | 16-22 | 1380 | 560 | 2480 | 600 | 680 | 500 | 160 | 220 | 4-23 | 1.1 | 1.5 | 1160 | 1250 |
| 500 | 645 | 600 | 600 | 18 | 20-22 | 1600 | 600 | 2610 | 600 | 680 | 500 | 160 | 220 | 4-23 | 1.1 | 1.5 | 1250 | 1300 |
| 600 | 755 | 705 | 800 | 24 | 20-26 | 1750 | 680 | 2720 | 600 | 680 | 900 | 280 | 340 | 8-23 | 1.1 | 1.5 | 1315 | 1450 |
| 700 | 860 | 810 | 800 | 24 | 24-26 | 1884 | 720 | 2815 | 600 | 680 | 950 | 280 | 340 | 8-23 | 1.1 | 1.5 | 1585 | 1700 |
| 800 | 975 | 920 | 800 | 24 | 24-30 | 1970 | 800 | 3115 | 600 | 680 | 1045 | 280 | 340 | 8-23 | 1.5 | 2.2 | 1870 | 2050 |
| 900 | 1075 | 1020 | 800 | 24 | 24-30 | 2086 | 880 | 3640 | 600 | 680 | 1250 | 280 | 340 | 8-23 | 2.2 | 2.2 | 2350 | 2550 |
| 1000 | 1175 | 1120 | 800 | 24 | 28-30 | 2250 | 960 | 3940 | 820 | 910 | 1250 | 280 | 340 | 8-23 | 2.2 | 2.2 | 2850 | 3050 |
| 1200 | 1375 | 1320 | 1200 | 26 | 32-30 | 2837 | 1165 | 5930 | 1100 | 1180 | 1060 | 480 | 560 | 8-33 | 1.1 | 1.5 | 3537 | 3720 |
| 1400 | 1575 | 1520 | 1200 | 26 | 36-30 | 3057 | 1285 | 6530 | 1100 | 1220 | 1400 | 480 | 560 | 8-33 | 1.1 | 1.5 | 4370 | 4800 |
| 1600 | 1790 | 1730 | 1200 | 32 | 40-30 | 3257 | 1385 | 7130 | 1100 | 1180 | 1560 | 480 | 560 | 8-33 | 1.5 | 2.2 | 5200 | 5700 |
| 1800 | 1990 | 1930 | 1400 | 32 | 44-30 | 3400 | 1428 | 7730 | 1100 | 1180 | 1750 | 230 | 560 | 8-33 | 2.2 | 2.2 | 5940 | 6430 |
| 2000 | 2190 | 2130 | 1400 | 32 | 48-30 | 4010 | 1850 | 8400 | 1200 | 1280 | 1800 | 230 | 560 | 8- 33 | 2.2 | 2.2 | 7180 | 7850 |
| 2200 | 2405 | 2340 | 1600 | 32 | 52-30 | 4110 | 1950 | 9050 | 1200 | 1280 | 1900 | 230 | 560 | 8-33 | 2.2 | 2.2 | 8430 | 9250 |
| 2400 | 2605 | 2540 | 1600 | 32 | 56-33 | 4365 | 2050 | 9600 | 1200 | 1280 | 2360 | 230 | 560 | 8-33 | 2.2 | 2.2 | 9760 | 10500 |
| 2600 | 2805 | 2740 | 1800 | 34 | 60-33 | 4565 | 2150 | 10200 | 1340 | 2100 | 2460 | 300 | 600 | 8-36 | 2.2 | 2.2 | 1200 | 13200 |
| 2800 | 2960 | 3030 | 1800 | 36 | 64-36 | 4765 | 2250 | 10800 | 1340 | 2100 | 2532 | 300 | 600 | 8-36 | 2.2 | 2.2 | 1500 | 16100 |
声明:本文中所有文字、数据、图片均只适用于参考。询价提供相关产品参数:产品名称、型号、口径、材质、介质、压力、温度、连接标准、数量等,如对产品有特殊要求,请在询价时一并提出。或者使用场合非常重要或环境比较复杂,请您尽量提供设计图纸和详细参数,由我们专业工程师为您审核选型。
感谢访问我司网站,如你对该产品还有任何疑问可致电我们,上海工开阀门将为您提供优质的售前咨询服务。咨询手机:15002111058;电话:021-56051151。






