日标球阀采用日标JIS标准,阀体法兰采用日标JIS B2220标准,用于同样采用日标法兰的系统管道上,阀体两端法兰,与管道上两端的法兰通过螺栓用螺母锁紧,达到紧固作用。依靠手柄/涡轮/气动执行器/电动执行器带动阀杆转动,阀杆带动球体在 0°~90° 范围内旋转。主要用于截断或接通管路中的介质,也可用于流体的调节与控制。作切断作用。广泛用于石油、化工、冶金、电力、建筑、热力、给排水、水处理等行业。JIS不锈钢法兰球阀是上海工开阀生产的一款专供制盒机设备使用的阀门。
Q41F-10K高平台日标球阀没有介质流向的要求,两端都可以作为进出口端该阀门可以水平安装,也可以垂直安装,但是不可以手轮朝下安装。阀体材质为不锈钢SCS13、SCS14等,适用于工作温度≤150℃的水、蒸汽或汽油类介质的管路上,用来接通或截断管路中的介质。
法兰日标球阀性能规范
| 产品名称: | 法兰日标球阀Q41F-10K、Q41F-20K |
| 阀体材质: | SCPH2/SCS13/SCS14/304/316 |
| 连接方式: | 法兰 |
| 公称通径: | 15A~350A |
| 驱动方式: | 手动、气动、电动 |
| 适用介质: | 水、蒸汽、油等 |
| 适用温度: | -29℃~150℃ |
| 结构长度: | JIS B2002 |
| 检测标准: | JIS B2003 |
| 设计标准: | JIS B2071|ASME B16.34 |
| 法兰标准: | JIS B2220 |
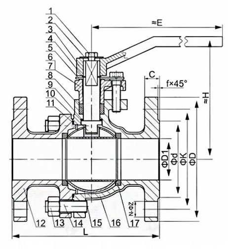
法兰日标球阀外形结构尺寸

声明:本文中所有文字、数据、图片均只适用于参考。询价提供相关产品参数:产品名称、型号、口径、材质、介质、压力、温度、连接标准、数量等,如对产品有特殊要求,请在询价时一并提出。或者使用场合非常重要或环境比较复杂,请您尽量提供设计图纸和详细参数,由我们专业工程师为您审核选型。
感谢访问我司网站,如你对该产品还有任何疑问可致电我们,我们将为您提供优质的售前咨询服务。咨询手机:15002111058;电话:021-56051151。






