Y11支管减压阀/丝口可调式减压阀/自来水减压阀/可调式支管丝扣减压阀/不锈钢螺纹减压阀 Y11X丝口可调式减压阀采用了阀后压力及反馈机构,工作中减动态压力、;既可水平安装、也可垂直安装。在管道系统中的分支系统中,是保持二次侧压力的理想产品。在高层建筑冷热供水系统中的完全可以代替分区供水中的分压箱。安装此阀可实现低压供水,可节水、节能、减小噪音和延长管路及卫生器具的使用寿命。安装此阀可简化供水系统中的设备,可降低工程造价。此阀更换部分零件,还可用在工业生产中需要减压力的场合 。
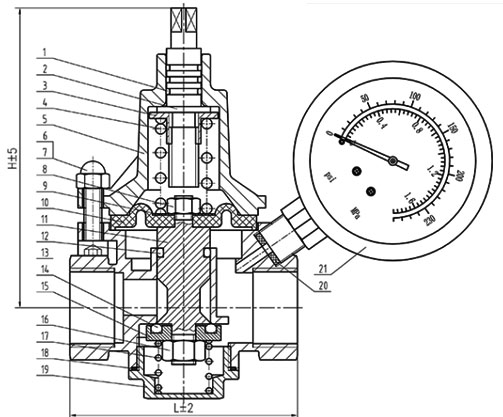
Y11支管减压阀工作原理:此阀主体由阀体、阀盖、阀芯、阀瓣、膜片、弹簧、手轮等零件组成。此阀为常开型弹簧膜片式(进出口同时打开)。使阀瓣和截流口保持相应位置;当达到调定值截流口开启实现减动太压力。此阀为上进下出。 。
Y11X丝口可调式减压阀使用注意事项
1、安装前要彻底清除管道内的杂物,通水前必须彻底冲洗管道。
2、必须遵循此阀门的介质流向标示安装此阀门。
3、阀门在使用过程中出现故障时应停止使用,查明原因并排除后方可使用。
4、必须按照有关规范要求安装、检修阀门。
5、长期存放时应存放于干燥的室内,通路的两端须保护好,并定期检查。阀门不要暴露于冰冻的温度下。
Y11X丝口可调式减压阀外形结构尺寸
| NPS | L | H |
| 15 | 74 | 120 |
| 20 | 76 | 120 |
| 25 | 87 | 135 |
| 32 | 87.5 | 135 |
| 40 | 108 | 175 |
| 50 | 113 | 175 |
声明:本文中所有文字、数据、图片均只适用于参考。询价提供相关产品参数:产品名称、型号、口径、材质、介质、压力、温度、连接标准、数量等,如对产品有特殊要求,请在询价时一并提出。或者使用场合非常重要或环境比较复杂,请您尽量提供设计图纸和详细参数,由我们专业工程师为您审核选型。
感谢访问我司网站,如你对该产品还有任何疑问可致电我们,我们将为您提供优质的售前咨询服务。咨询手机:15002111058;电话:021-56051151。






