产品介绍
1.4308、1.4408,是属于德标耐腐蚀钢铸件材质,分别对应SUS304,SUS316,是常用的德标不锈钢阀门的材质。
德标气动球阀设计制造标准DIN3357,1.4308类似304材质/1.4408类似316材质,适用介质:水、蒸汽、油品、硝酸类、醋酸类,是由德标体的高平台球阀-德标球阀和气动执行器装置组合而成。
德标气动法兰球阀设计标准:
设计与制造:DIN3357
结构长度:DIN3202
连接法兰:DIN2542-2546
试验与检验:DIN3230
| 公称通径mm | DN15-DN250 | ||
| 材料代号 | P | R | |
| 主要零件 | 阀 体 | 1.4308 | 1.4408 |
| 密封圈 | 增强聚四氟乙烯 对位聚苯 | ||
| 填 料 | 聚四氟乙烯 柔性石墨 | ||
| 适用工况 | 适用介质 | 硝酸类 | 醋酸类 |
| 适用温度 | -28℃ - 300℃ | ||
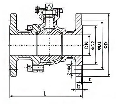
德标气动球阀外形结构和连接尺寸

| 公称通径 | PN | d | L | R | C | D | T | ISO 5211 |
| DN15 | 10-40 | 15 | 115 | 45 | 65 | 95 | 14 | F04 |
| DN20 | 10-40 | 20 | 120 | 58 | 75 | 105 | 16 | F04 |
| DN25 | 10-40 | 25 | 125 | 68 | 85 | 115 | 16 | F04 |
| DN32 | 10-40 | 32 | 130 | 78 | 100 | 140 | 16 | F05 |
| DN40 | 10-40 | 38 | 140 | 88 | 110 | 150 | 16 | F07 |
| DN50 | 10-40 | 50 | 150 | 102 | 125 | 165 | 18 | F07 |
| DN65 | 10-16 | 65 | 170 | 122 | 145 | 185 | 18 | F07 |
| DN80 | 10-16 | 78 | 180 | 138 | 160 | 200 | 20 | F10 |
| DN100 | 10-16 | 100 | 190 | 158 | 180 | 220 | 20 | F10 |
| DN125 | 10-16 | 125 | 325 | 188 | 210 | 250 | 22 | F12 |
| DN150 | 10-16 | 150 | 350 | 212 | 240 | 285 | 22 | F12 |
| DN200 | 10-16 | 200 | 400 | 268 | 295 | 340 | 24 | F12 |
| DN250 | 10-16 | 250 | 450 | 320 | 355 | 405 | 26 | F14 |
声明:本文中所有文字、数据、图片均只适用于参考。询价提供相关产品参数:产品名称、型号、口径、材质、介质、压力、温度、连接标准、数量等,如对产品有特殊要求,请在询价时一并提出。或者使用场合非常重要或环境比较复杂,请您尽量提供设计图纸和详细参数,由我们专业工程师为您审核选型。
感谢访问我司网站,如你对该产品还有任何疑问可致电我们,我们将为您提供优质的售前咨询服务。咨询手机:15002111058;电话:021-56051151。
更多产品






