产品介绍
D373H涡轮对夹式硬密封蝶阀驱动方式是蜗轮传动,采用U形弹性密封圈和三偏心多层次金属硬密封结构,被广泛用于介质温度≤425℃的冶金、电力、石油化工、以及给排水和市政建设等工业管道上
D373H涡轮对夹式硬密封蝶阀工作原理:
三偏心金属密封蝶阀,除阀杆和阀板有两个偏心外,阀板和阀座的密封面呈斜圆台形(这是所谓三偏心的第三个偏心)。阀门关闭时阀板由于偏心的缘故往前推,阀板和阀座在关闭过程中不产生摩擦,阀板直接压在阀座上,这样阀门的使用寿命;另外,由于这种阀门的密封圈(不论装在阀座上或阀板上)具有一定的弹性,而且弹性圈内的凸台与弹性圈之间有少量的间隙可使弹性圈稍有位移;在阀门关闭时,受关闭力的作用,弹性体密封圈能自动移至受力最均匀的位置;再加上弹性圈的少量变形,使阀座处的密封圈均匀受力,达到密封状态。
D373H涡轮对夹式硬密封蝶阀主要性能参数
| 型号 | D373H/Y | |||
| 工作压力(MPa) | 1.6MPa,2.5MPa | |||
| 适用温度(℃) | ≤425 | ≤200 | ||
| 适用介质 | 水、油或非腐蚀性介质 | 硝酸类介质 | 醋酸类介质 | |
| 材料 | 阀体、蝶板 | WCB | CF8/304 | CF3M/316L |
| 阀杆 | 2Cr13 | 304 | 316L | |
| 阀体密封面 | 堆焊507 | - | - | |
| 蝶板密封面 | 304+柔性石墨 | 304+PTFE | 304+PTFE | |
| 填料 | 柔性石墨 | PTFE | PTFE | |
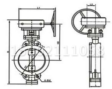
D373H涡轮对夹式硬密封蝶阀主要零外形及连接尺寸
| 公称通径 |
结构长度 标准值 |
外形尺寸(参考值) | 连接尺寸(标准值) |
重量 (kg) |
|||||||||||||
| H | Dt373H | Dt673H | Dt973H | PN1.6MPa | PN2.5MPa | ||||||||||||
| 毫米 | 英寸 | L | H1 | A1 | B1 | H2 | A2 | B2 | H3 | A3 | B3 | D1 | Z-d | D1 | Z-d | ||
| 50 | 2 | 43 | 112 | 350 | 180 | 200 | 625 | 245 | 72 | 530 | 250 | 255 | 125 | 4-14 | 125 | 4-18 | 11 |
| 65 | 21/2 | 46 | 115 | 370 | 180 | 200 | 625 | 245 | 72 | 530 | 250 | 255 | 145 | 4-14 | 145 | 8-18 | 12 |
| 80 | 3 | 49 | 120 | 380 | 180 | 200 | 645 | 245 | 72 | 565 | 250 | 255 | 160 | 8-18 | 160 | 8-18 | 15 |
| 100 | 4 | 56 | 138 | 420 | 180 | 200 | 675 | 355 | 92 | 600 | 250 | 255 | 180 | 8-18 | 190 | 8-22 | 17 |
| 125 | 5 | 64 | 164 | 460 | 180 | 200 | 715 | 355 | 92 | 640 | 250 | 255 | 210 | 8-18 | 220 | 8-26 | 27 |
| 150 | 6 | 70 | 175 | 555 | 270 | 280 | 800 | 355 | 92 | 705 | 300 | 315 | 240 | 8-22 | 250 | 8-26 | 29 |
| 200 | 8 | 71 | 208 | 605 | 270 | 280 | 850 | 250 | 170 | 775 | 300 | 315 | 295 | 12-22 | 310 | 12-26 | 45 |
| 250 | 10 | 76 | 243 | 680 | 270 | 280 | 925 | 250 | 170 | 945 | 300 | 315 | 355 | 12-26 | 370 | 12-30 | 69 |
| 300 | 12 | 83 | 283 | 825 | 380 | 420 | 1035 | 450 | 220 | 1070 | 300 | 315 | 410 | 12-26 | 430 | 16-30 | 86 |
| 350 | 14 | 92 | 310 | 900 | 380 | 420 | 1070 | 450 | 220 | 1140 | 300 | 315 | 470 | 16-26 | 490 | 16-33 | 122 |
| 400 | 16 | 102 | 340 | 980 | 450 | 470 | 1190 | 450 | 220 | 1210 | 300 | 315 | 525 | 16-30 | 550 | 16-36 | 141 |
| 450 | 18 | 114 | 380 | 1030 | 480 | 490 | 1250 | 650 | 280 | 1335 | 575 | 714 | 585 | 20-30 | 600 | 20-36 | 191 |
| 500 | 20 | 127 | 410 | 1105 | 480 | 490 | 1290 | 650 | 280 | 1415 | 575 | 714 | 650 | 20-33 | 660 | 20-36 | 260 |
| 600 | 24 | 154 | 470 | 1310 | 480 | 490 | 1455 | 850 | 380 | 1605 | 656 | 810 | 770 | 20-36 | 770 | 20-39 | 380 |
| 700 | 28 | 165 | 550 | 1435 | 640 | 660 | 1585 | 850 | 380 | 1844 | 656 | 810 | 840 | 24-36 | 875 | 24-42 | 450 |
| 800 | 32 | 190 | 640 | 1605 | 640 | 660 | 1700 | 1250 | 380 | 2040 | 656 | 810 | 950 | 24-39 | 990 | 24-48 | 650 |
| 900 | 36 | 203 | 710 | 1745 | 750 | 860 | 1865 | 1250 | 380 | 2255 | 785 | 863 | 1050 | 28-39 | 1090 | 28-48 | 830 |
| 1000 | 40 | 216 | 770 | 1885 | 850 | 900 | 2015 | 1250 | 380 | 2380 | 785 | 863 | 1170 | 28-42 | 1210 | 28-56 | 1050 |
| 1200 | 48 | 254 | 890 | 2105 | 850 | 900 | 2250 | 1250 | 380 | 2640 | 785 | 863 | 1390 | 32-48 | 1420 | 32-56 | 1400 |
声明:本文中所有文字、数据、图片均只适用于参考。询价提供相关产品参数:产品名称、型号、口径、材质、介质、压力、温度、连接标准、数量等,如对产品有特殊要求,请在询价时一并提出。或者使用场合非常重要或环境比较复杂,请您尽量提供设计图纸和详细参数,由我们专业工程师为您审核选型。
感谢访问我司网站,如你对该产品还有任何疑问可致电我们,我们将为您提供优质的售前咨询服务。咨询手机:15002111058;电话:021-56051151。
更多产品






