产品介绍
不锈钢衬四氟蝶阀型号D71F-16P和D371F-16P分别为手柄与蜗轮转动,是由四氟密封蝶阀和不锈钢蝶板、阀杆构成。阀体采用不锈钢304、316,密封圈为衬PTFE四氟,具有良好的耐密封及防腐性能。使用寿命长。对夹式连接方式,使阀门的安装、拆卸、使用都非常方便。整个蝶阀小巧轻便,密封性可靠,抗酸抗腐蚀性强,在供排水,发电,石油,化工,冶炼等领域都有广泛应用,适用于任何浓度的酸、碱、盐及氧化剂、还原剂、有机溶剂等介质。
不锈钢衬四氟蝶阀工作原理:
不锈钢衬四氟蝶阀是用阀杆一起转动的蝶板作启闭件,用以实现阀门的开启,关闭与调节。衬里蝶阀是在过流部件、阀体、蝶板、阀杆上采用衬里技术衬里较厚的高分子材料,防腐蚀性能优良。
不锈钢衬四氟蝶阀性能参数
| 产品名称 | D71F-16P手柄衬四氟蝶阀-D371F-16P涡轮衬四氟对夹式蝶阀 | ||||
| 公称通经(mm) | DN50-DN600 | ||||
| 适用温度(℃) | ≤150℃ | ||||
| 适用介质 | 污水、海水、石油、强酸碱及有机溶剂等 | ||||
| 驱动方式 | 手柄、涡轮 | ||||
| 阀体 | 不锈钢304、316 | ||||
| 蝶板 | 不锈钢304、316 | ||||
| 阀轴 | 不锈钢304、316 | ||||
| 阀座 | PTFE | ||||
| 手柄 、涡轮 | 球墨铸铁、铝合金 | ||||
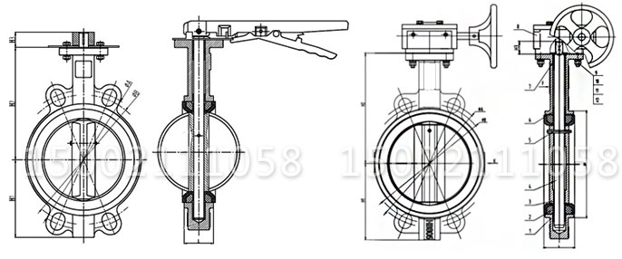
不锈钢衬四氟蝶阀主要零外形及连接尺寸
|
D71F-16P 手柄衬四氟球阀 |
DN | H1 | H2 | H3 | ΦA | ΦB | L |
| DN50 | 75 | 139 | 32 | 125 | 105 | 43 | |
| DN65 | 83.5 | 152.5 | 32 | 145 | 140 | 46 | |
| DN80 | 96 | 160 | 32 | 160 | 150 | 46 | |
| DN100 | 116.5 | 173.5 | 32 | 190.5 | 175 | 52 | |
| DN125 | 128.5 | 191.5 | 32 | 216 | 200 | 56 | |
| DN150 | 140.2 | 205.2 | 32 | 241.3 | 225 | 56 | |
| DN200 | 176 | 242 | 40 | 298.4 | 280 | 60 |
|
D371F-16P 涡轮衬四氟对夹式蝶阀 |
DN | H1 | H2 | H3 | ∅D | ΦA | ΦB | L | PN10/16 | |
| k | n-Φd | |||||||||
| 50 | 80 | 129 | 24 | 87.1 | 125 | 105 | 43 | 125 | 4-18 | |
| 65 | 82 | 136 | 24 | 100.4 | 145 | 127 | 46 | 145 | 4-18 | |
| 80 | 85 | 153 | 24 | 116 | 160 | 145 | 46 | 160 | 8-18 | |
| 100 | 110 | 167 | 24 | 147.6 | 190.5 | 165 | 52 | 180 | 8-18 | |
| 125 | 122 | 193 | 27 | 172 | 216 | 200 | 56 | 210 | 8-18 | |
| 150 | 141 | 209 | 27 | 202 | 241.3 | 225 | 56 | 240 | 8-22 | |
| 200 | 170 | 251 | 30 | 253.7 | 298.4 | 280 | 60 | 295 | 8-22 | |
| 250 | 213 | 283 | 30 | 308.8 | 362 | 355 | 68 | 350/355 | 12-22/12-26 | |
| 300 | 240 | 315 | 30 | 362 | 431.8 | 390 | 78 | 400/410 | 12-22/12-26 | |
| 350 | 267 | 368 | 45 | 430 | 576.2 | 445 | 78 | 460/470 | 16-22/16-26 | |
| 400 | 309 | 400 | 52 | 482 | 540 | 210 | 102 | 515/525 | 16-26/16-30 | |
| 450 | 328 | 422 | 52 | 545 | 585 | 565 | 114 | 565/585 | 20-26/20-30 | |
| 500 | 361 | 480 | 64 | 609 | 650 | 620 | 127 | 620/650 | 20-26/20-33 | |
| 600 | 459 | 562 | 70 | 720 | 770 | 725 | 154 | 725/770 | 20-30/20-36 | |
声明:本文中所有文字、数据、图片均只适用于参考。询价提供相关产品参数:产品名称、型号、口径、材质、介质、压力、温度、连接标准、数量等,如对产品有特殊要求,请在询价时一并提出。或者使用场合非常重要或环境比较复杂,请您尽量提供设计图纸和详细参数,由我们专业工程师为您审核选型。
感谢访问我司网站,如你对该产品还有任何疑问可致电我们,我们将为您提供优质的售前咨询服务。咨询手机:15002111058;电话:021-56051151。
更多产品






