V型球阀是一种芯阀座采用金属,或金属对聚四氟乙烯密封配合的旋转球阀,它将球阀和蝶阀的控制特性结合成一体,既可用作控制调节阀,又可作关断切断阀。球芯带有V型结构,对阀座具有剪切作用。V型球阀特别适合含纤维、微小固体颗粒、料浆等介质。
V型法兰式球阀适用于造纸、化工、冶金等工业企业中含有纤维或微小固体颗粒的悬浊液介质中对有关工艺参数的控制,特别适用于制浆、造纸生产过程中的纸浆、白水、黑液、白液等悬浮颗粒的流体及浓、浊浆状流体介质的自动调节。
手动V型球阀球体与阀座密封根据工况不同,可分别采用软密封、喷焊镍基合金(硬度大于HRC60)、超音速喷涂钨钴合金(硬度大于HRC70)及特种硬化材料等多种先进工艺,适用各种苛刻工况,软密封适用200℃以下工况,硬密封碳钢不超过425℃,不锈钢不超过600℃。
手动涡轮V型球阀,型号VQ347 蜗轮传动具有精确调节和可靠定位功能,流量特性近似等百分比,可调范围大,调节精度高;
手动涡轮V型球阀零部件材质
| 铸钢V型球阀 | |||||
|---|---|---|---|---|---|
| 1 | 底座 | WCB | LCB | WC9 | |
| 2 | 阀体 | WCB | LCB | WC9 | |
| 3 | 下阀轴 | 2Cr13 | 2Cr13 | 2Cr13 | |
| 4 | 密封圈 | PTFE/PPL | |||
| 5 | V球 | CF8 | CF8M | CF3M | |
| 6 | 上阀轴 | 2Cr13 | 2Cr13 | 2Cr13 | |
| 7 | 填料 | 柔性石墨/PTFE | |||
| 8 | 填料压盖 | WCB | LCB | WC9 | |
| 9 | 压板 | WCB | LCB | WC9 | |
| 不锈钢V型球阀 | |||||
| 1 | 底座 | CF8 | CF8M | CF3M | |
| 2 | 阀体 | CF8 | CF8M | CF3M | |
| 3 | 下阀轴 | 304 | 316 | 316L | |
| 4 | 密封圈 | PTFE/PPL | |||
| 5 | V球 | CF8 | CF8M | CF3M | |
| 6 | 上阀轴 | 304 | 316 | 316L | |
| 7 | 填料 | 柔性石墨/PTFE | |||
| 8 | 填料压盖 | CF8 | CF8M | CF3M | |
| 9 | 压板 | CF8 | CF8M | CF3M | |
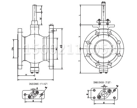
手动涡轮V型球阀主要零外形及连接尺寸
| DN | A | H | B | b1 | f | C | T | Y | L | Φd | h1 | h | S | K | M | Z |
| 25 | 102 | 51 | 115 | 16 | 2 | 38 | 81 | 73 | 102 | 16 | 64 | 35 | 75 | / | 2-M10 | 5 |
| 32 | 102 | 51 | 140 | 18 | 2 | 45 | 86 | 78 | 100 | 16 | 62 | 35 | 75 | / | 2-M10 | 5 |
| 40 | 114 | 57 | 150 | 18 | 2 | 50 | 90 | 80 | 102 | 16 | 64 | 35 | 75 | / | 2-M10 | 5 |
| 50 | 124 | 60 | 165 | 20 | 2 | 62 | 93 | 90 | 104 | 16 | 66 | 35 | 75 | / | 2-M10 | 5 |
| 65 | 145 | 70 | 185 | 20 | 2 | 73 | 108 | 105 | 102 | 16 | 64 | 35 | 75 | / | 2-M10 | 5 |
| 80 | 165 | 75 | 200 | 20 | 2 | 90 | 123 | 118 | 110 | 20 | 68 | 35 | 90 | / | 2-M12 | 6 |
| 100 | 194 | 92 | 220 | 22 | 2 | 115 | 138 | 130 | 108 | 20 | 66 | 35 | 90 | / | 2-M12 | 6 |
| 125 | 194 | 97 | 250 | 22 | 2 | 134 | 148 | 145 | 110 | 25 | 65 | 40 | 90 | / | 2-M12 | 8 |
| 150 | 229 | 110 | 285 | 24 | 2 | 164 | 170 | 170 | 124 | 30 | 69 | 50 | 110 | 40 | 4-M12 | 8 |
| 200 | 243 | 120 | 340 | 24 | 2 | 206 | 200 | 201 | 124 | 30 | 69 | 50 | 110 | 40 | 4-M12 | 8 |
| 250 | 297 | 148 | 405 | 26 | 2 | 260 | 240 | 237 | 140 | 40 | 77 | 60 | 135 | 40 | 4-M16 | 12 |
| 300 | 338 | 190 | 460 | 28 | 2 | 316 | 286 | 282 | 140 | 40 | 77 | 60 | 135 | 40 | 4-M16 | 12 |
| 350 | 400 | 221 | 520 | 30 | 2 | 372 | 330 | 337 | 170 | 50 | 105 | 60 | 140 | 64 | 4-M16 | 14 |
| 400 | 400 | 220 | 580 | 32 | 2 | 420 | 367 | 372 | 212 | 60 | 127 | 80 | 170 | 80 | 4-M20 | 18 |
声明:本文中所有文字、数据、图片均只适用于参考。询价提供相关产品参数:产品名称、型号、口径、材质、介质、压力、温度、连接标准、数量等,如对产品有特殊要求,请在询价时一并提出。或者使用场合非常重要或环境比较复杂,请您尽量提供设计图纸和详细参数,由我们专业工程师为您审核选型。
感谢访问我司网站,如你对该产品还有任何疑问可致电我们,我们将为您提供优质的售前咨询服务。咨询手机:15002111058;电话:021-56051151。






