XD71X消防信号蝶阀是蝶阀圆盘式启闭件往复回转90°左右来开启、关闭,加装信号反馈装置,信号反馈装置是阀门手动装置的基础上了信号开关盒,内置微动开关、凸轮、连线板、电缆进口和结构件。开向和关向各有一个微动开关,阀门开到位关到位和开到位时能提供一个电信号,开阀与关阀均可反馈到位信号。
XD71X消防信号蝶阀工作原理:
1、本信号蝶阀由手柄驱动转轴及蝶板旋转实现启闭和控制流量。
2、手柄转动阀杆,使蝶板达到启闭及调节流量的目的,手柄顺时针方向旋转为阀门关闭。
3、手柄内设置微动开关有两种形式:
(1)在传动装置箱体内设有开向、关向两个微动幵关,分别在阀门全幵和关闭时动作,接通控制室"阀关"指示电源,使之准确显示阀门幵关状态。
(2)在传动装罝箱体内只设关向微动开关(蝶板全关闭位罝90° ),当蝶板由0-40°位罝时微动开关动作,输出阀门关闭信号,40-90°位罝时另一 对常闭触点可输出打开信号。可调整压触微动开关的凸轮,显示蝶板所处的不同位置。
消防蝶阀主要用于石油、化工、食品、医药、造纸、水电给排水、冶炼、能源等系统管路上作为调节和截流设备使用,特别适用于高层建筑消防系统及其它需要显示阀门开关状态的管线系统上。
XD71X消防信号蝶阀性能参数
| 产品名称 | XD71X手柄对夹式消防信号蝶阀 | |
| 公称通径 | DN50~DN200 | |
| 适用介质 | 水、弱酸碱性介质等 | |
| 适用温度 | -10~135℃ | |
| 阀体 | 铸铁、球墨铸铁、碳钢、不锈钢等 | |
| 阀座 | 乙丙橡胶/四氟乙烯 | |
| 蝶板 | 球墨铸铁/不锈钢 | |
| 阀杆 | 不锈钢 | |
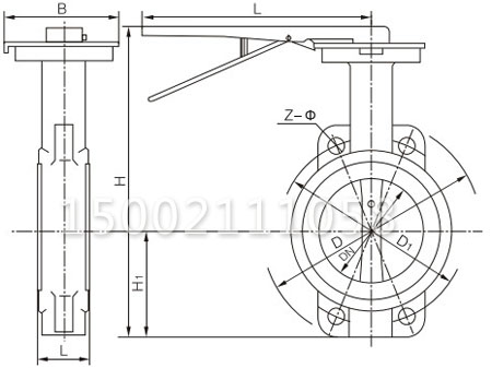
XD71X消防信号蝶阀主要零外形及连接尺寸

| DN(mm) | D | D1 | Z-φ | L | H | H1 | A | B |
| 40 | 150 | 110 | 4-19 | 43 | 220 | 68 | 240 | 98 |
| 50 | 165 | 125 | 4-19 | 43 | 235 | 68 | 240 | 98 |
| 65 | 185 | 145 | 4-19 | 46 | 250 | 75 | 240 | 98 |
| 80 | 200 | 160 | 8-19 | 46 | 275 | 85 | 240 | 98 |
| 100 | 220 | 180 | 8-19 | 52 | 315 | 105 | 270 | 108 |
| 125 | 250 | 210 | 8-19 | 56 | 340 | 120 | 320 | 108 |
| 150 | 285 | 240 | 8-23 | 56 | 375 | 135 | 320 | 108 |
| 200 | 340 | 295 | 8-23 | 60 | 470 | 165 | 365 | 155 |
声明:本文中所有文字、数据、图片均只适用于参考。询价提供相关产品参数:产品名称、型号、口径、材质、介质、压力、温度、连接标准、数量等,如对产品有特殊要求,请在询价时一并提出。或者使用场合非常重要或环境比较复杂,请您尽量提供设计图纸和详细参数,由我们专业工程师为您审核选型。
感谢访问我司网站,如你对该产品还有任何疑问可致电我们,我们将为您提供优质的售前咨询服务。咨询手机:15002111058;电话:021-56051151。






