产品介绍
Q41F铸铁球阀主要用于截断或接通介质,适用于温度≤150℃的水、蒸汽、油品等非腐蚀性介质的管路上,作启闭作用,最大优点为启闭迅速。
Q41F铸铁球阀特点:
1、流体阻力小,球阀是所有阀类中流体阻力最小的一种,即使是缩径球阀,其流体阻力也相当小。
2、球阀通道平整光滑,不易沉积介质,可以进行管线通球。
3、密封性能好。球阀阀座密封圈一般采用聚四氟乙烯等弹性材料制造,易于保证密封,而且球阀的密封力随着介质压力的增加而增大。
4、阀杆密封可靠。球阀启闭时阀杆只作旋转运动,因此阀杆的填料密封不易被破坏,而且阀杆倒密封的密封力随着介质压力的增加而增大。
5、上海工开阀门球阀的启闭只做90°转动,故容易实现自动化控制和远距离控制,球阀可配置气动装置、电动装置、液动装置、气液联动装置或电液联动装置。
6、开关迅速、方便,只要阀杆转动90°,球阀就完成了全开或全关动作,很容易实现快速启闭。
|
设计与制造
|
结构长度
|
法兰尺寸
|
压力-温度
|
试验-检验
|
|
GB122237
|
GB12221
|
GB9113 JB79
|
GB9131
|
GB/T13927 JB/T9092
|
|
公称通径
|
DN15~DN300
|
|
公称压力
|
1.6Mpa
|
|
连接方式
|
法兰
|
|
驱动方式
|
手动、电动、气动
|
阀体
|
HT200
|
|
球体阀杆
|
304
|
|
阀座
|
聚四氟乙烯PTFE 加坡纤增强聚四氟乙烯PTFE+Glass 对位聚笨PPL
|
|
垫片
|
聚四氟乙烯PTFE 不锈钢/柔性石墨Stainless Steel/flexible Graphite 齿形垫片Tooth Profile Gasket
|
|
阀杆座
|
聚四氟乙烯PTFE 不锈钢/柔性石墨 Stainless Steel/Flexible Graphite
|
|
填料
|
聚四氟乙烯PTFE 增强柔性石墨 Enhanced Flexible Graphite
|
|
温度
|
-29℃~150℃(聚四氟乙烯 PTFE)
|
|
介质
|
水、蒸汽、油品
|
|
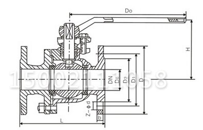
1.6MPa
|
DN
|
L
|
D
|
D1
|
D2
|
b
|
n-φd
|
H
|
D0
|
|
Q41F-16
|
15
|
130
|
95
|
65
|
45
|
14
|
4-14
|
78
|
140
|
|
20
|
140
|
105
|
75
|
55
|
14
|
4-14
|
84
|
160
|
|
25
|
150
|
115
|
85
|
65
|
14
|
4-14
|
95
|
180
|
|
32
|
165
|
135
|
100
|
78
|
16
|
4-18
|
150
|
250
|
|
40
|
180
|
145
|
110
|
85
|
16
|
4-18
|
150
|
300
|
|
50
|
200
|
160
|
125
|
100
|
18
|
4-18
|
170
|
350
|
|
65
|
220
|
180
|
145
|
120
|
20
|
4-18
|
195
|
350
|
|
80
|
250
|
195
|
160
|
135
|
20
|
8-18
|
215
|
400
|
|
100
|
280
|
215
|
180
|
155
|
20
|
8-18
|
250
|
500
|
|
125
|
320
|
245
|
210
|
185
|
22
|
8-18
|
265
|
600
|
|
150
|
360
|
280
|
240
|
210
|
24
|
8-23
|
270
|
800
|
|
200
|
400
|
335
|
295
|
265
|
26
|
12-23
|
330
|
1200
|
声明:本文中所有文字、数据、图片均只适用于参考。询价提供相关产品参数:产品名称、型号、口径、材质、介质、压力、温度、连接标准、数量等,如对产品有特殊要求,请在询价时一并提出。或者使用场合非常重要或环境比较复杂,请您尽量提供设计图纸和详细参数,由我们专业工程师为您审核选型。
感谢访问我司网站,如你对该产品还有任何疑问可致电我们,我们将为您提供优质的售前咨询服务。咨询手机:15002111058;电话:021-56051151。