产品介绍
D341X手动涡轮软密封法兰蝶阀启闭件是一个圆盘形的蝶板,在阀体内绕自身的轴线旋转,从而达到启闭或调节作用。具有结构简洁,流阻系数小,流量特性趋于直线,不会滞留杂物,且重量轻,安装方便,驱动扭矩较小等优点。
该阀门广泛应用于市政建设、水利工程、电力、给排水、水处理、供暖、燃气、船舶、水电、冶金、能源系统以及轻纺等领域,特别适用于双向密封和阀体易锈蚀场合,作调节流量和截流介质。
D341X手动涡轮软密封法兰蝶阀性能参数
| 产品名称 | 涡轮法兰式软密封蝶阀-D341X-16Q D341X-16P | |
| 公称通径 | DN(mm) 50~2000 | |
| 适用介质 | 空气、水、污水、蒸气、煤气、油品等。 | |
| 驱动形式 | 蜗杆蜗轮传动 | |
| 阀体 | 球墨铸铁、铸钢、合金钢、不锈钢 | |
| 蝶板 | 铸钢、不锈钢及特殊材料 | |
| 密封圈 | 各种橡胶、聚四氟 | |
| 阀杆 | 2Cr13、不锈钢 | |
| 填料 | O型圈、柔性石墨O | |
| 材料品种 | 氯丁橡胶(CR) | 天然橡胶(NR) | 丁腈橡胶(NBR) | 乙丙橡胶(EPDM) | 聚四氟乙烯(PTFE) | 硅橡胶(SI) | 氟橡胶(FPM) |
| 耐最高温度 | 82℃ | 93℃ | 93℃ | 150℃ | 232℃ | 250℃ | 204℃ |
| 耐最低温度 | -40℃ | -40℃ | -40℃ | -40℃ | -268℃ | -70℃ | -23℃ |
| 适用工作温度 | ≤65℃ | ≤80℃ | ≤80℃ | ≤120℃ | ≤200℃ | ≤200℃ | ≤180℃ |
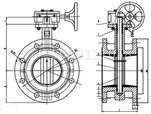
D341X手动涡轮软密封法兰蝶阀主要零外形及连接尺寸
|
公称通径 DN |
L | H | Ho | A | B | D | D1 | D2 | n-d |
| DN50 | 108 | 63 | 306 | 180 | 200 | 165 | 125 | 99 | 4-18 |
| DN65 | 112 | 70 | 321 | 180 | 200 | 185 | 145 | 118 | 4-18 |
| DN80 | 114 | 83 | 346 | 180 | 200 | 200 | 160 | 132 | 8-18 |
| DN100 | 127 | 105 | 387 | 180 | 200 | 220 | 180 | 156 | 8-18 |
| DN125 | 140 | 115 | 411 | 180 | 200 | 250 | 210 | 184 | 8-18 |
| DN150 | 140 | 137 | 447 | 270 | 280 | 285 | 240 | 211 | 8-22 |
| DN200 | 152 | 164 | 572 | 270 | 280 | 340 | 295 | 266 | 12-22 |
| DN250 | 165 | 206 | 646 | 270 | 280 | 405 | 355 | 319 | 12-26 |
| DN300 | 178 | 230 | 738 | 380 | 420 | 460 | 410 | 370 | 12-26 |
| DN350 | 190 | 248 | 781 | 380 | 420 | 520 | 470 | 429 | 16-26 |
| DN400 | 216 | 296 | 877 | 450 | 470 | 580 | 525 | 480 | 16-30 |
| DN450 | 222 | 320 | 938 | 480 | 490 | 640 | 585 | 548 | 20-30 |
| DN500 | 229 | 343 | 993 | 480 | 490 | 715 | 650 | 609 | 20-33 |
| DN600 | 267 | 413 | 1131 | 480 | 490 | 840 | 770 | 720 | 20-36 |
| DN700 | 430 | 478 | 1476 | 640 | 660 | 910 | 840 | 794 | 24-36 |
| DN800 | 470 | 525 | 1533 | 640 | 660 | 1025 | 950 | 901 | 24-39 |
| DN900 | 510 | 585 | 1655 | 750 | 860 | 1125 | 1050 | 1001 | 28-39 |
| DN1000 | 550 | 640 | 1765 | 850 | 900 | 1255 | 1170 | 1112 | 28-42 |
| DN1200 | 630 | 755 | 1995 | 850 | 900 | 1485 | 1390 | 1328 | 32-48 |
| DN1400 | 710 | 910 | 2310 | 1000 | 925 | 1685 | 1590 | 1530 | 36-48 |
| DN1600 | 790 | 1030 | 2595 | 1000 | 925 | 1930 | 1820 | 1750 | 40-56 |
| DN1800 | 870 | 1140 | 2810 | 1100 | 980 | 2130 | 2020 | 1950 | 44-56 |
| DN2000 | 950 | 1250 | 3100 | 1100 | 980 | 2345 | 2230 | 2150 | 48-62 |
声明:本文中所有文字、数据、图片均只适用于参考。询价提供相关产品参数:产品名称、型号、口径、材质、介质、压力、温度、连接标准、数量等,如对产品有特殊要求,请在询价时一并提出。或者使用场合非常重要或环境比较复杂,请您尽量提供设计图纸和详细参数,由我们专业工程师为您审核选型。
感谢访问我司网站,如你对该产品还有任何疑问可致电我们,我们将为您提供优质的售前咨询服务。咨询手机:15002111058;电话:021-56051151。
更多产品






