Q41F flange ball valve is mainly used for cutting off or connecting media, and can also be used for fluid regulation and control.
Q41F cast steel ball valve has low fluid resistance and is the smallest among all valve types. It can be closed tightly with only a 90 degree rotation and a small rotational torque. It has a compact structure, is easy to operate and maintain, and is suitable for general working media such as water, solvents, acids, and natural gas. It is also suitable for media with harsh working conditions, such as oxygen, hydrogen peroxide, methane, and ethylene.
Q41F cast steel flange ball valve has good sealing performance. The sealing ring of the ball valve seat is generally made of elastic materials such as polytetrafluoroethylene, which is easy to ensure sealing, and the sealing force of the ball valve increases with the increase of medium pressure
The soft seal ball valve Q41F should be installed in the horizontal direction of the pipeline. Shanghai Gongkai Valve Q41F flange ball valve can be equipped with pneumatic device, electric device, hydraulic device, gas-liquid linkage device or electro-hydraulic linkage device.
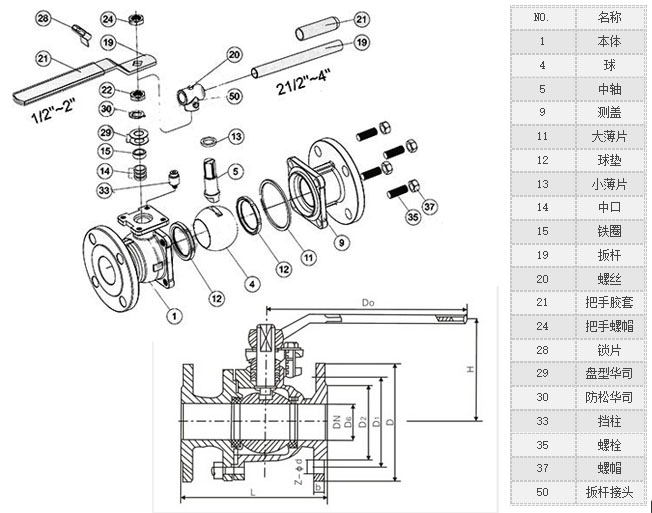
Q41F Manual Flange Cast Steel Ball Valve Main Performance Specification
| Nominal Diameter | DN(mm) | 15~800 | ||
| nominal pressure | PN(MPa) | 0.6 | 1.0 | 1.6 |
| test pressure | strength test | 0.9 | 1.5 | 2.4 |
| Sealing test | 0.66 | 1.1 | 1.76 | |
| Airtight seal test | 0.6 | 0.6 | 0.6 | |
| Applicable Medium | Air, water, sewage, steam, gas, oil, etc | |||
| Operation | Manual, worm gear transmission, pneumatic transmission, electric transmission | |||
| Temperature | ≤150° | |||
| BODY | Cast steel, stainless steel, and special materials | |||
| SEALING | PTFE | |||
| STEM | 2Cr13、stainless steel | |||
| FILLER | o-ring、Flexible graphite | |||
Q41F Manual Flange Cast Steel Ball Valve Structure Diagram and Connection Dimensions
| 1.6MPa | DN | L | D | D1 | D2 | b | n-φd | H | D0 |
|
RF Q41F-16C |
15 | 130 | 95 | 65 | 45 | 14 | 4-14 | 78 | 140 |
| 20 | 140 | 105 | 75 | 55 | 14 | 4-14 | 84 | 160 | |
| 25 | 150 | 115 | 85 | 65 | 14 | 4-14 | 95 | 180 | |
| 32 | 165 | 135 | 100 | 78 | 16 | 4-18 | 150 | 250 | |
| 40 | 180 | 145 | 110 | 85 | 16 | 4-18 | 150 | 300 | |
| 50 | 200 | 160 | 125 | 100 | 18 | 4-18 | 170 | 350 | |
| 65 | 220 | 180 | 145 | 120 | 20 | 4-18 | 195 | 350 | |
| 80 | 250 | 195 | 160 | 135 | 20 | 8-18 | 215 | 400 | |
| 100 | 280 | 215 | 180 | 155 | 20 | 8-18 | 250 | 500 | |
| 125 | 320 | 245 | 210 | 185 | 22 | 8-18 | 265 | 600 | |
| 150 | 360 | 280 | 240 | 210 | 24 | 8-23 | 270 | 800 | |
| 200 | 400 | 335 | 295 | 265 | 26 | 12-23 | 330 | 1200 |






