语言: 中文 | English
地址:上海市嘉定区春浓路312号
电话:021-56051151
传真:021-66309799
邮件:[email protected]
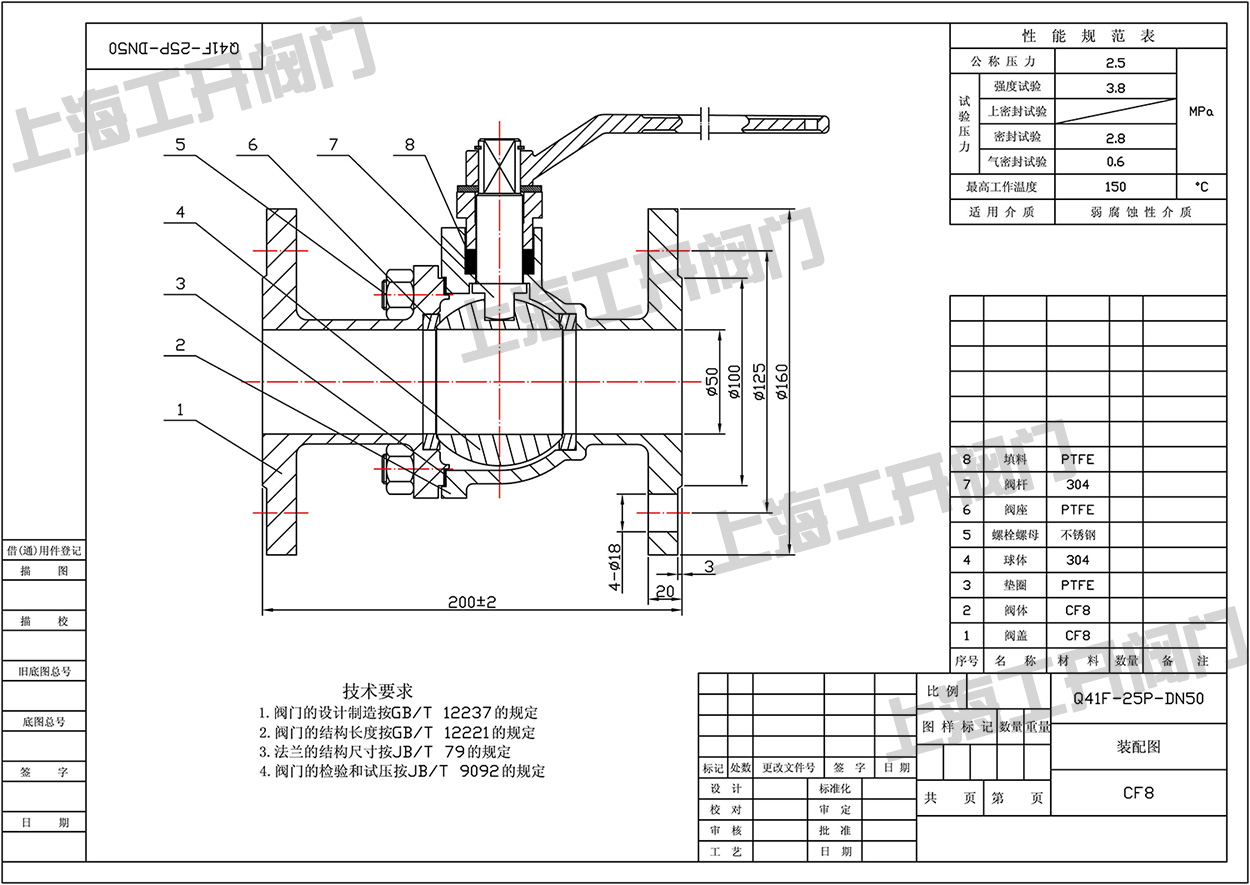
Q41F-25P-DN50不锈钢球阀图纸