西门子 SIEMENS SQL361B系列配蝶阀西门子电动蝶阀
西门子 SIEMENS SQL361B系列
一、西门子SQL361B系列执行器性能特点介绍:
1、工作电压AC 220V、DC ..10V控制信号
2、可选10002电位计和辅助开关
3、执行器旋转角度为90°,适用于西门子VKF42..系列蝶阀。在自动运行过程中,行程受两个内置行程开关限制。
4、具有手轮和阀位指示
5、内置防凝加热元件
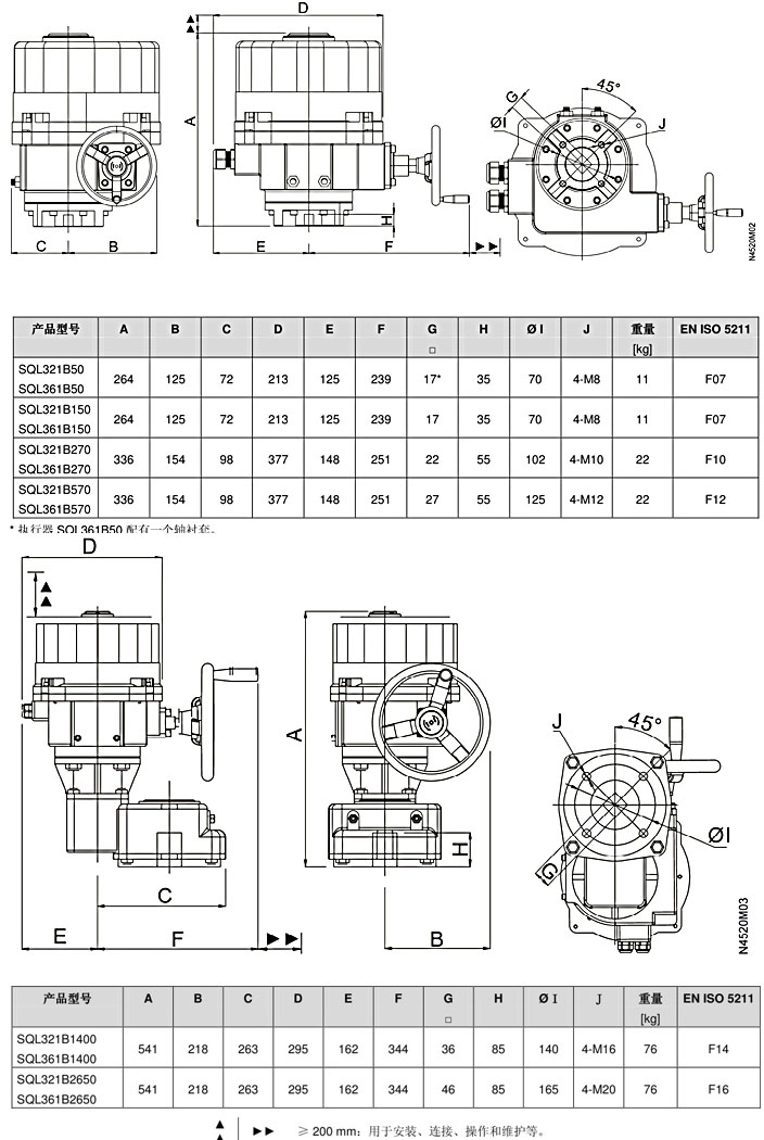
6、底法兰符合标准EN ISO 5211
7、用于驱动VKF42..系列蝶阀,作为截止阀和控制阀
8、执行器由控制器的开/关信号( SPDT )或DC ..10V控制信号驱动,并产生旋转运动,通过驱动器送至阀门
9、执行器无需维护,此类执行器具有可逆异步电机,可通过齿轮系驱动主轴,然后由主轴带动蝶阀的方轴。型号SQL321B25手轮主轴上安装了弹簧,因此必须保持手轮推入才能手动操作。对于其他型号,手轮则直接连接到蜗杆轴上。
10、在自动运行过程中,行程受两个内置行程开关限制
11、为了防止壳体内部温度低于露点温度,执行器配有内置加热元件


二、尺寸

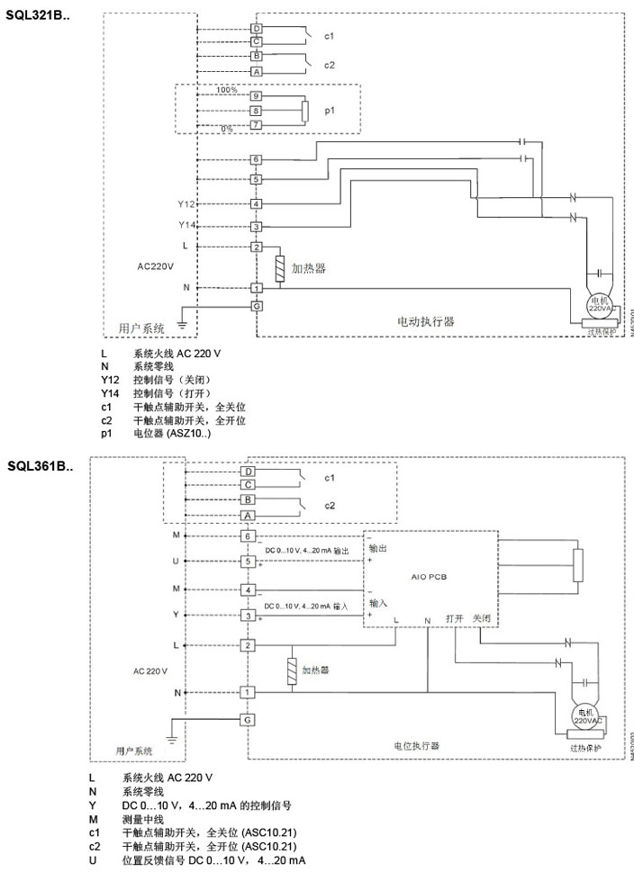
三、内部接线图

四、调校
为了确定阀板在阀门中的位置是全关“0%" 或全开”100%” ,对于调节型执行器,建议在首次调试时进行调校。
前提条件:
●执行器已安装在蝶阀上 ●通过手轮旋转执行器至半开位置
●打开外壳

五、执行器和电动执行器的组合

感谢访问上海工开阀门 网站,如你对该产品还有任何疑问可致电我们,我们将为您提供优质的售前咨询服务。咨询手机:15002111058;电话:021-56051151。
- 上一篇:没有啦
- 下一篇:涡轮尺寸图 2024/3/11

