电动阀门控制箱
一、概述:
电动阀门控制器是与阀门电动装置配套的产品,用以控制电动阀门的开启和关闭,它可以实现现场操作,也可以远距离操作,可以单独控制也可集中控制,对于大量使用管道阀门的石油、化工、水电、煤炭、冶金等工业部门具有重要的意义。
DFJKM 电动阀门控制器是一款以微处理器为核心的新一代智能型阀门控制箱。由于采用了 CPU,使得该阀门控制器在智能控制方面有了显著的提升。同时简化了安装调试过程。
二、DFJKM 电动阀门控制器特点:
1. 开度电位器两固定端自动识别
2. 阀门开度数字显示,零点满度自动校准。
3. 按键音提示。工作状态 LED 显示
4. 电机过热、过力矩、过电流等保护声光报警。
5. 电动阀门由全关位置开阀时的短时过力矩允许,使电动装置以最大力矩打开阀门。
三、技术数据
1. 工作电压:380V,50Hz,三相四线制。
2. 工作环境:
☆ 环境温度:-20~40℃
☆ 相对湿度:不大于 80%(20±5℃时)(室内型)
☆ IP63 (室外型)
☆ 周围不含有腐蚀性、易燃易爆物质。
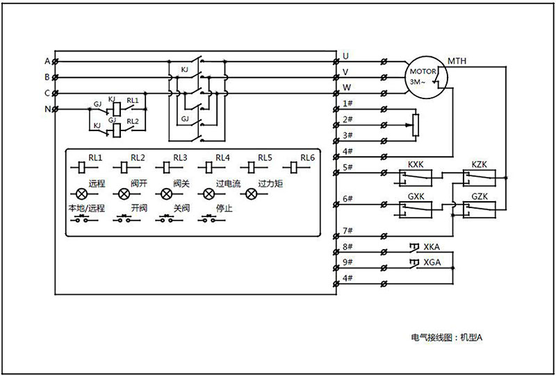
四、控制面板按键功能及 LED 显示
开度指示:三位 LED 数码管显示(0%~100%)
按键:
本地/远程(本地控制/远程控制)
开阀(开启阀门)
关阀(关闭阀门)
停止(停止阀门动作)
指示灯:
远程——灯亮表示远程控制
阀开——阀门开到位显示,阀开过程中闪烁
阀关——阀门关到位显示,阀关过程中闪烁
过电流——灯亮表示电机过电流,伴有蜂鸣器鸣叫
过力矩——灯亮表示过力矩故障,伴有蜂鸣器鸣叫
感谢访问我司网站,如你对该产品还有任何疑问可致电我们,我们将为您提供优质的售前咨询服务。咨询手机:15002111058;电话:021-56051151。
- 上一篇:旋球阀的由来 2023/9/14
- 下一篇:12种流量计的工作原理(下) 2023/8/30

