云顶集团7610线路检测 - 4008云顶网站登录
语言:
中文
|
English
首页
关于公司
公司产品
阀门知识
新闻中心
应用领域
阀门实物图
联系方式
4008云顶网站登录
截止阀
闸阀
球阀
蝶阀
止回阀
疏水阀
旋塞阀
安全阀
过滤器
隔膜阀
电磁阀
气动阀门
气动球阀
气动蝶阀
气动闸阀
气动截止阀
电动阀门
电动球阀
电动蝶阀
电动闸阀
电动截止阀
调节阀
自力式调节阀
电动调节阀
气动调节阀
减压阀
其他阀门
全焊接球阀
青铜阀
角座阀
进口阀门
船用阀
管夹阀
塑料阀门
真空阀
仪表阀
陶瓷阀门
给排水阀门
锻钢阀门
氧气阀
波纹管阀
配件
气动执行器
电动执行器
截止阀知识
闸阀知识
球阀知识
蝶阀知识
止回阀知识
调节阀知识
安全阀知识
电磁阀知识
控制箱知识
气动执行器知识
电动执行器知识
阀门配件知识
物联网阀知识
化工行业
冶炼行业
环保应用
城市供热
城市建筑
船舶行业
水电站行业
石油行业
截止阀系列
过滤器系列
调节阀系列
旋塞阀系列
球阀系列
闸阀系列
止回阀系列
蝶阀系列
新闻动态
公司新闻
行业新闻
阀门图纸
地址:上海市嘉定区春浓路312号
电话:021-56051151
传真:021-66309799
邮件:
[email protected]
你的位置:
首页
>
新闻动态
>
阀门图纸
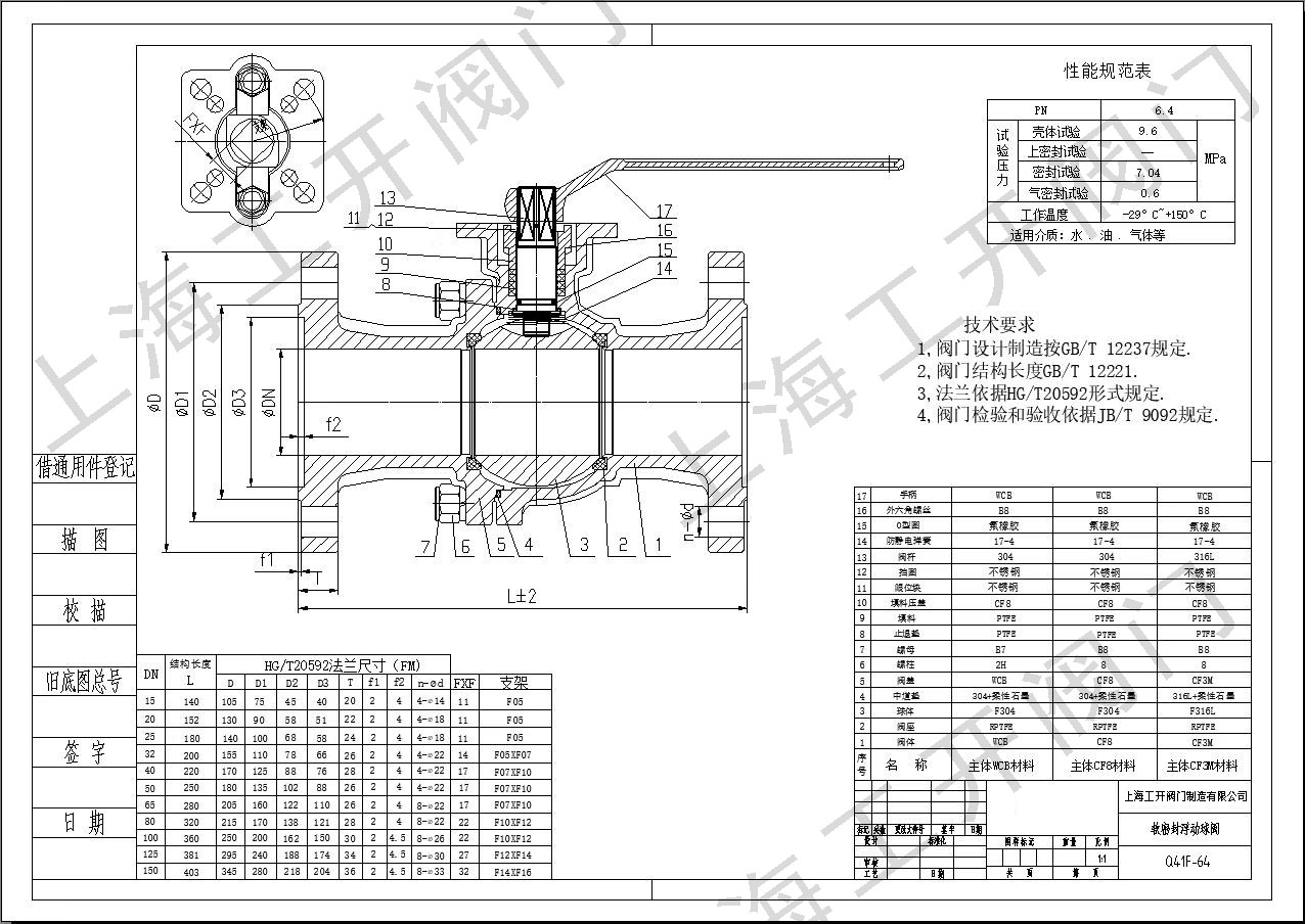
手动球阀Q41F-64化工部标准-碳钢不锈钢材质图纸
2022/8/25 8:57:42 点击:
上一篇:
电磁阀和电动球阀如何选择?
2022/8/25
下一篇:
截止阀的四种密封原理之径向密封
2022/8/24