D971S电动塑料蝶阀采用一体式电动执行器与塑料蝶阀组成,输入220V电源即可直接进行开关量调节,亦可内置伺服模块,输入控制信号(4~20mADC或1~5VDC)及单相电源即可控制运转。
D971S电动PVC蝶阀(UPVC电动塑料蝶阀)具有阀体重量轻、耐腐蚀性强、材质卫生无毒、耐磨损、易拆卸、维护简单等特点,被应用于多个领域,如一般纯水和生饮水的管路系统、排水和污水管路系统、盐水和海水管路系统、酸碱和化学溶液系统等多个行业。
电动塑料蝶阀特点:
1、外型结构紧凑美观,材质卫生无毒。
2、本体重量轻容易安装。
3、耐腐蚀性强,应用范围广。
4、耐磨损、容易拆卸,维护简单易行。
5、管壁平洁光滑,输送流体时具有较小的磨擦阻力和附着力。
6、优异的耐老化和抗紫外线性能,使用寿命比其它管道系统长。
D971S电动塑料蝶阀性能参数
| 电动执行机构技术参数 | 阀 体 参 数 | ||
| 电源 | AC110、220、380V/DC24、220V | 公称通径 | DN50~300mm |
| 输出力矩 | 50N·M~2000N·M | 公称压力 | PN1.0MPa |
| 任选功能 | 开关型、触点型、开度信号、智能型 | 阀轴材质 | 碳素钢、304/316/316L不锈钢 |
| 动作范围 | 0~90°±5° | 阀体材质 | UPVC、CPVC、PP |
| 动作时间 | 15秒/30秒/60秒 | 阀板材质 | UPVC、CPVC、PP、PTFE |
| 环境温度 | -30°~60° | 阀座密封 | EPDM、NBR、FPM |
| 手动操作 | 附带手柄操作 | 结构形式 | A型 |
| 限 位 | 电气、机械二重限位 | 温度 | EPDM≤80℃、NBR≤68℃、FPM≤80℃ |
| 防护等级 | IP-67(防爆外壳:Exd Ⅱ BT4 IP67可选) | 适用介质 | 水、PVC兼容的食品工业化学溶剂 |
| 输入信号 | 0-10,1-5VDC/4-20mA(智能型) | 特点 | 重量轻、耐腐蚀、卫生无毒、流阻小 |
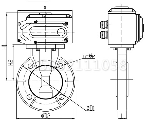
D971S电动塑料蝶阀主要零外形及连接尺寸
| DN(mm) | ΦD1 | ΦD2 | H1 | H2 | A | L | n-Φd |
| 50 | 123 | 160 | 208 | 87 | 160 | 44 | 4-18 |
| 65 | 143 | 185 | 217 | 96 | 160 | 48 | 4-18 |
| 80 | 157 | 195 | 235 | 114 | 160 | 53 | 4-18 |
| 100 | 186 | 215 | 256 | 127 | 189 | 57 | 8-18 |
| 125 | 213 | 250 | 286 | 157 | 189 | 68 | 8-18 |
| 150 | 240 | 285 | 334 | 170 | 266 | 73 | 8-22 |
| 200 | 296 | 340 | 377 | 213 | 266 | 92 | 8-22 |
声明:本文中所有文字、数据、图片均只适用于参考。询价提供相关产品参数:产品名称、型号、口径、材质、介质、压力、温度、连接标准、数量等,如对产品有特殊要求,请在询价时一并提出。或者使用场合非常重要或环境比较复杂,请您尽量提供设计图纸和详细参数,由我们专业工程师为您审核选型。
感谢访问我司网站,如你对该产品还有任何疑问可致电我们,我们将为您提供优质的售前咨询服务。咨询手机:15002111058;电话:021-56051151。






