气动保温V型球阀是一种在阀体外部焊接一层保温夹套,并通过它两侧的保温加热流体入口和出口与外接蒸汽或热油等管道相连接,对除法兰根部外的整个阀体进行保温加热,使阀体保持在合适的温度,防止易凝固或结晶的介质附着在球体和阀座表面,影响阀门开启或关闭的V型保温夹套球阀。
该阀阀芯为一侧开V形缺口的半球体,并在其表面进行喷焊或堆焊硬质合金,达到耐磨,耐腐蚀,且密封面可轻易剪碎煤渣,矿渣等颗粒介质而不会磨损。本产品由于V型球和阀座之间是无间隙回转,所以具有很大的剪切力及自清洁性能,尤其适用于易凝固或结晶,含纤维性或有微小固体杂质的悬浊液及固态颗粒状介质的工况系统控制中。
气动保温V型球阀工作原理:
阀门在管道中会流失热量或吸收热量,导致介质温度发生变化。在部分工况下,介质温度变化会导致阀门运行不顺畅,那么就需要引入外部能量来改变这一情况。
夹套装置就是在阀体上开一个口,通过向夹套中冲入高温蒸汽、导热油、冷却水等介质,可起到对介质的保温、冷却作用。特别适用于一些高粘度、粘稠、易凝结的介质,使管道输送正常运行。
V型球阀是一种直角回转的高性能控制阀,其主要作调节阀使用,也可作开头阀使用。
气动保温V型球阀零部件材质
| 序号 | 零件名称 | 材料名称 | ||||
| 1 | 阀 体 | WCB | CF8 | CF3 | CF8M | CF3M |
| 2 | 球 体 | WCB | CF8 | CF3 | CF8M | CF3M |
| 3 | 阀 杆 | 2Cr13 | 06Cr19Ni10 | 022Cr19Ni10 | 06Cr17Ni12Mo2 | 022Cr17Ni12Mo2 |
| 4 | 阀 座 | RPTFE、PTFE、PPL、PEEK、Nylon、不锈钢+硬质合金 | ||||
| 5 | 压 圈 | Q235A | 06Cr19Ni10 | 022Cr19Ni10 | 06Cr17Ni12Mo2 | 022Cr17Ni12Mo2 |
| 6 | 下 端 盖 | WCB | CF8 | CF3 | CF8M | CF3M |
| 7 | 填 料 | Graphite | Graphite | Graphite | Graphite | Graphite |
| 8 | 填料压盖 | WCB | CF8 | CF3 | CF8M | CF3M |
| 9 | 保温夹套 | 20# | 304 | 304 | 304 | 304 |
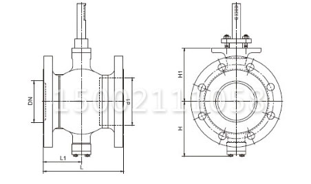
气动保温V型球阀主要零外形及连接尺寸
|
公称压力 PN(MPa) |
公称通径 DN(mm) |
尺寸(mm) | ||||
| L | L1 | H | H1 | d1 | ||
| 1.6-2.5 (Class150) | 25 | 102 | 51 | 81 | 73 | 38 |
| 32 | 102 | 51 | 86 | 78 | 45 | |
| 40 | 114 | 57 | 90 | 80 | 50 | |
| 50 | 124 | 62 | 93 | 90 | 62 | |
| 65 | 145 | 72.5 | 108 | 105 | 73 | |
| 80 | 165 | 82.5 | 123 | 118 | 90 | |
| 100 | 194 | 97 | 138 | 130 | 115 | |
| 125 | 194 | 97 | 148 | 145 | 134 | |
| 150 | 229 | 114.5 | 170 | 170 | 164 | |
| 200 | 243 | 121.5 | 200 | 201 | 206 | |
| 250 | 297 | 148.5 | 240 | 237 | 260 | |
| 300 | 338 | 169 | 286 | 282 | 316 | |
| 350 | 400 | 200 | 330 | 337 | 372 | |
| 400 | 400 | 200 | 367 | 372 | 420 | |
| 450 | 520 | 260 | 422 | 432 | 470 | |
| 500 | 600 | 300 | 490 | 498 | 516 | |
声明:本文中所有文字、数据、图片均只适用于参考。询价提供相关产品参数:产品名称、型号、口径、材质、介质、压力、温度、连接标准、数量等,如对产品有特殊要求,请在询价时一并提出。或者使用场合非常重要或环境比较复杂,请您尽量提供设计图纸和详细参数,由我们专业工程师为您审核选型。
感谢访问我司网站,如你对该产品还有任何疑问可致电我们,我们将为您提供优质的售前咨询服务。咨询手机:15002111058;电话:021-56051151。






