产品介绍
J44W不锈钢法兰式角式截止阀一种采用角式结构的法兰截止阀,法兰于法兰之间是90直角,阀门出口与进口两端面成90度直角,主要安装于直角管道之间来切换管道介质的流动方向,做为启闭作用,角式截止阀只适用于全开和全关,不允许作调节和节流。
角式截止阀启闭件是塞形的阀瓣,密封面呈平面或锥面,阀瓣沿流体的中心线作直线运动。阀杆的运动形式,有升降杆式(阀杆升降,手轮不升降),也有升降旋转杆式(手轮与阀杆一起旋转升降,螺母设在阀体上)。纹管截止阀只适用于全开和全关,不允许作调节和节流。
不锈钢角式截止阀适用于高粘度、含悬浮物和颗粒状流体的场合,或用于要求直角配管的地方。其流向一般为底进侧出。特殊情况下可以反装,即流向侧进底出。
J44W不锈钢法兰式角式截止阀主要性能规范
| 型号 | 公称压力 | 试验压力 | 工作温度 (℃) | 适用介质 | ||||||||
| 强度(水) | 密封(水) 空气(MPa) | 低压密封 空气(MPa) | ||||||||||
| J44W-16P(R) | 1.6 | 2.4 | 1.8 | 0.6 | ≤200 | NITRIC ACID | ||||||
| 硝酸类 | ||||||||||||
| J44W-25P(R) | 2.5 | 3.8 | 2.8 | 0.6 | ≤200 | ACETIC ACID | ||||||
| 醋酸类 | ||||||||||||
| J44W-40P(R) | 4 | 6 | 4.4 | 0.6 | ≤200 | NITRIC ACID | ||||||
| 硝酸类 | ||||||||||||
| 零件名称 | 材料 | |||||||
| 阀体、阀盖 | Cf8、CF3、CF8M、CF3M | |||||||
| 阀瓣 | 304、304L、316、316L | |||||||
| 阀杆 | 304、304L、316、316L | |||||||
| 阀杆螺母 | 铝铁青铜 Al bronze | |||||||
| 手轮 | 灰铸铁、可锻铸铁 | |||||||
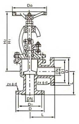
J44W不锈钢法兰式角式截止阀主要外形及连接尺寸
| DN | L | D | D1 | D2 | f | b | zxφd | Do | H1 | H2 | |
| 20 | 75 | 105 | 75 | 50 | 3 | 16 | 4xφ14 | 90 | 188 | 205 | |
| 25 | 80 | 115 | 85 | 53 | 3 | 16 | 4xφ14 | 100 | 250 | 275 | |
| 32 | 90 | 135 | 100 | 66 | 3 | 18 | 4xφ18 | 120 | 275 | 303 | |
| 40 | 100 | 145 | 110 | 70 | 3 | 18 | 4xφ18 | 140 | 303 | 343 | |
| 50 | 115 | 160 | 125 | 90 | 3 | 20 | 4xφ18 | 160 | 310 | 350 | |
| 65 | 145 | 180 | 145 | 117 | 3 | 20 | 4xφ18 | 180 | 337 | 372 | |
| 80 | 155 | 195 | 160 | 130 | 3 | 22 | 8xφ18 | 220 | 425 | 490 | |
| 100 | 175 | 215 | 180 | 150 | 3 | 24 | 8xφ18 | 240 | 435 | 515 | |
| 125 | 200 | 245 | 210 | 173 | 3 | 24 | 8xφ18 | 280 | 500 | 585 | |
| 150 | 240 | 280 | 240 | 200 | 3 | 24 | 12xφ23 | 320 | 554 | 640 | |
| 200 | 300 | 335 | 295 | 248 | 3 | 27 | 12xφ23 | 400 | 718 | 868 | |
声明:本文中所有文字、数据、图片均只适用于参考。询价提供相关产品参数:产品名称、型号、口径、材质、介质、压力、温度、连接标准、数量等,如对产品有特殊要求,请在询价时一并提出。或者使用场合非常重要或环境比较复杂,请您尽量提供设计图纸和详细参数,由我们专业工程师为您审核选型。
感谢访问我司网站,如你对该产品还有任何疑问可致电我们,我们将为您提供优质的售前咨询服务。咨询手机:15002111058;电话:021-56051151。
更多产品






