D641W气动通风蝶阀采用与阀体相同材料加工成密封圈,其适用温度随阀体选材而定,公称压力≤0.6MP工,气动通风蝶阀广泛应用于通风除尘系统,对含尘气体、煤气管道、通风净化装置、烟气管道等作为流量调节和截流用。
上海工开阀门的气动通风蝶阀采用优质耐磨材料焊接而成,具有耐磨性好、工作稳定可靠、操作方便、动作 灵敏、泄漏率小、使用寿命长、安装维修方便,特别适用于低压差、大口径、大流量场合,它与各种执行机构组合配套使用,组合成不同性能的阀门。
气动通风蝶阀与电气阀门定位器配套,输入4~20mADC信号及0.4~0.7MPa气源即可控制运转,实现对压力、流量、温度、液位等参数的调节。或者配行程限位开关、电磁阀、减压阀及0.4-0.7MPa气源可实现开关操作,并送出二对无源触点信号指示阀门的开关。
D641W气动通风蝶阀性能参数
| 公称通径 | DN(mm) | 50~2000 | ||
|---|---|---|---|---|
| 公称压力 | PN(MPa) | 0.05 | 0.25 | 0.6 |
| 试验压力 | 强度试验 | 0.075 | 0.375 | 0.9 |
| 密封试验 |
≤1.5%泄漏量 |
|||
| 适用介质 | 煤气、含尘气体、烟道气等。 | |||
| 适用温度 | -40~+800℃ | |||
| 执行器型号 | GT、AT、AW系列 |
| 作用形式 | 单作用执行机构、双作用执行机构 |
| 可配附件 |
定位器、电磁阀、空气过滤减压器、保位阀、行程开关、 阀位传送器、手轮机构等 |
D641W气动通风蝶阀主要零件材料
| 零件名称 | 材料 |
|---|---|
| 阀体 | 铸钢、不锈钢、铬镍钼钛钢、铬钼钛钢等特殊材料 |
| 蝶板 | 铸钢、不锈钢、铬镍钼钛钢、铬钼钛钢等特殊材料 |
| 密封圈 | 与阀体相同 |
| 阀杆 | 碳钢、2Cr13、不锈钢、铬镍钼钛钢 |
| 填料 | 氟塑料、柔性石墨 |
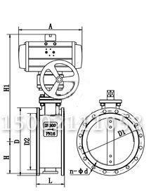
D641W气动通风蝶阀主要零外形及连接尺寸
| 公称通径 | 结构长度 |
外形尺寸 (参考值) |
连接尺寸标准值) |
重量 (kg) |
||||||||
|---|---|---|---|---|---|---|---|---|---|---|---|---|
| 0.05MPa和0.25MPa | 0.6MPa | |||||||||||
| 毫米 | 英寸 | L | H | H1 | A | D | D1 | n-d | D | D1 | n-d | |
| 50 | 2 | 108 | 70 | 337 | 180 | 140 | 110 | 4-14 | 140 | 110 | 4-14 | 16 |
| 65 | 2-1/2 | 112 | 80 | 357 | 180 | 160 | 130 | 4-14 | 160 | 130 | 4-14 | 17 |
| 80 | 3 | 114 | 95 | 385 | 180 | 190 | 150 | 4-18 | 190 | 150 | 4-18 | 19 |
| 100 | 4 | 127 | 105 | 405 | 180 | 210 | 170 | 4-18 | 210 | 170 | 4-18 | 22 |
| 125 | 5 | 140 | 120 | 483 | 245 | 240 | 200 | 8-18 | 240 | 200 | 8-18 | 27 |
| 150 | 6 | 140 | 132 | 508 | 245 | 265 | 225 | 8-18 | 265 | 225 | 8-18 | 31 |
| 200 | 8 | 152 | 160 | 566 | 245 | 320 | 280 | 8-18 | 320 | 280 | 8-18 | 47 |
| 250 | 10 | 165 | 187 | 623 | 245 | 375 | 335 | 12-18 | 375 | 335 | 12-18 | 68 |
| 300 | 12 | 178 | 220 | 750 | 355 | 440 | 395 | 12-22 | 440 | 395 | 12-22 | 79 |
| 350 | 14 | 190 | 245 | 803 | 355 | 490 | 445 | 12-22 | 490 | 445 | 12-22 | 130 |
| 400 | 16 | 216 | 270 | 852 | 355 | 540 | 495 | 16-22 | 540 | 495 | 16-22 | 141 |
| 450 | 18 | 222 | 297 | 907 | 355 | 595 | 550 | 16-22 | 595 | 550 | 16-22 | 190 |
| 500 | 20 | 229 | 322 | 960 | 355 | 645 | 600 | 20-22 | 645 | 600 | 20-22 | 225 |
| 600 | 24 | 267 | 377 | 1080 | 550 | 755 | 705 | 20-26 | 755 | 705 | 20-26 | 245 |
| 700 | 28 | 292 | 430 | 1185 | 550 | 860 | 810 | 24-26 | 860 | 810 | 24-26 | 320 |
| 800 | 32 | 318 | 487 | 1300 | 550 | 975 | 920 | 24-30 | 975 | 920 | 24-30 | 405 |
| 900 | 36 | 330 | 537 | 1400 | 550 | 1075 | 1020 | 24-30 | 1075 | 1020 | 24-30 | 500 |
| 1000 | 40 | 410 | 587 | 1500 | 550 | 1175 | 1120 | 28-30 | 1175 | 1120 | 28-30 | 700 |
| 1200 | 48 | 470 | 702 | 1825 | 600 | 1375 | 1320 | 32-30 | 1405 | 1340 | 32-33 | 750 |
声明:本文中所有文字、数据、图片均只适用于参考。询价提供相关产品参数:产品名称、型号、口径、材质、介质、压力、温度、连接标准、数量等,如对产品有特殊要求,请在询价时一并提出。或者使用场合非常重要或环境比较复杂,请您尽量提供设计图纸和详细参数,由我们专业工程师为您审核选型。
感谢访问我司网站,如你对该产品还有任何疑问可致电我们,我们将为您提供优质的售前咨询服务。咨询手机:15002111058;电话:021-56051151。






