ZZV、ZZC自力式微压调节阀/ ZZVP型自力式微压调节阀是一种不用外来能源的节能型产品,利用工艺管道中介质的压力变化与信号进行比较,使被调节介质的力与执行机构的输出力平衡,以达到稳定压力、差压值。采用平衡单座阀,在运行中可对设定值进行调整等特点。因而适用于工业炉燃烧统燃料气体、石油在制品或油库贮罐保护气体与热处理保护气体的微压自动调节等场合。
ZZCP-1型差压阀,采用平衡型单座阀,压力稳定、精度高、密封性好,用于控制微小差压。
ZZCN-10型差压阀采用双座阀,流量系数大,将阀芯正、倒装,可组成二个不同品种的调节阀产品。该产品适用于各种工业炉燃烧系统控制两种燃料气体混合比流量或用于氢冷发电机组密封油系统中,同时,还可用于各种工业气体的减压、稳压或泄压的自动控制。
自力式微压调节阀工作原理:自力式微压调节阀是一种不需外来能源的节能型产品,利用工艺管道中的压力变化与信号进行比较,使被调介质的力与执行机构的输出力平衡,以达到确定的压力、差压值,主要用于各种工业炉气体燃烧系统,控制甲、乙两种燃料混合比流量,以达到理想的燃烧条件。可用于汽轮发电机密封油系统中,确保发电机组正常安全运行并提高发电效率。可用于煤气、天然气、液化气、石油气、氮气等各种工业气体的减压、微压调节。该阀也可应用于石油、化工、冶金、制药等工业部门过程中差压或微压,平衡系统的自动调节。
ZZV、ZZC自力式微压调节阀型号编制

ZZV、ZZC自力式微压调节阀技术参数
| 公称通径DN(mm) | 20 | 25 | 32 | 40 | 50 | 65 | 80 | 100 | |
| 额定流量(KV) | 单座(P) | 8 | 11 | 20 | 32 | 50 | 80 | 100 | 160 |
| 双座(N) | ─ | ─ | ─ | ─ | 50 | 83 | ─ | ─ | |
| 额定行程(mm) | 6 | 8 | 10 | 15 | 20 | ||||
| 调节精度(%) | ±10 | ||||||||
| 公称压力PN(MPa) | ZZC | 0.10 1.0 | |||||||
| ZZV | 0.10 | ||||||||
| 介质温度(℃) | ≤80 | ||||||||
| 允许泄漏量(L/h) | 单座(P) | 10-4×阀额定容量 | |||||||
| 双座(N) | 103×阀额定容量 | ||||||||
| 压力调节范围(Kpa) |
0.5~5.5、5~10、9~14、13~19、18~24、22~28、26~33、 31~38、36~44、41~51、49~58、56~66、64~78、76~90、76~90 |
||||||||
ZZV、ZZC自力式微压调节阀零部件材质
| 材料代号 | C(WCB) | P(304) | R(316) | |
| 主要零件 | 阀体、阀盖 | WCB(ZG230-450) | ZG1Cr18Ni9Ti(304) | ZG1Cr18Ni12Mo2Ti(316) |
| 阀芯、阀座 | 1Cr18Ni9Ti(304) | 1Cr18Ni9Ti(304) | 1Cr18Ni12Mo2Ti(316) | |
| 阀杆 | 2Cr13 | 1Cr18Ni9Ti | 1Cr18Ni12Mo2Ti | |
| 填料 | V型聚四氟乙烯(F4)、柔性石墨、 | |||
| 垫片 | 聚四氟乙烯(F4) 、不锈钢垫片、金属石墨缠绕垫片 | |||
| 上下膜盖 | A3钢板冲压 | |||
| 波纹膜片 | 丁晴橡胶、耐油橡胶、氟橡胶 | |||
| 弹簧 | 60Si2Mn | |||
| 波纹管 | 1Cr18Ni9Ti | |||
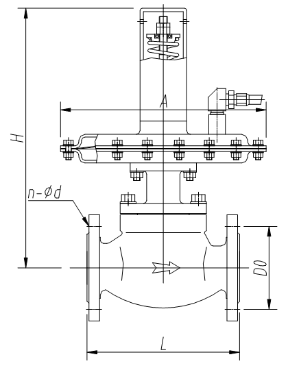
ZZV、ZZC自力式微压调节阀结构尺寸
| 公称通径DN | 20 | 25 | 32 | 40 | 50 | 65 | 80 | 100 | 150 | |
| φA | 308 | 394 | 308 | 394 | 308 | 394 | 394 | 394 | 394 | |
| ZZV 自力式微压调节阀 | H | 378 | 460 | 370 | 445 | 460 | 490 | 490 | 510 | 720- |
| L | 150 | 160 | 180 | 200 | 230 | 290 | 310 | 350 | 480 | |
| ZZC 自力式差压调节阀 | H | 378 | 465 | 365 | 445 | 455 | 490 | 490 | 510 | ─ |
| L | 150 | 160 | 180 | 200 |
230 222 |
290 220 |
310 | 350 | ─ | |
| 重量kg | 12 | 13 | 15 | 17 | 20 | 28 | 38 | 45 | 56 | |
| 信号接头螺纹 | M16×1.5 | |||||||||
声明:本文中所有文字、数据、图片均只适用于参考。询价提供相关产品参数:产品名称、型号、口径、材质、介质、压力、温度、连接标准、数量等,如对产品有特殊要求,请在询价时一并提出。或者使用场合非常重要或环境比较复杂,请您尽量提供设计图纸和详细参数,由我们专业工程师为您审核选型。
感谢访问我司网站,如你对该产品还有任何疑问可致电我们,我们将为您提供优质的售前咨询服务。咨询手机:15002111058;电话:021-56051151。






