气动法兰角座阀由气动活塞式执行器和Y型阀体调节机构二部分组成。气动执行器具有单作用和双作用两种。气动执行器主体材料可以选工业树脂聚酰胺,也可以选不锈钢材质。不锈钢气动角座阀关闭内漏为VI级,可拆卸中控密封设计,杜绝外漏,检修方便。法兰气动角座阀适用介质为水、油气、空气、水蒸气等纯净无杂质或腐蚀性气液体。
气动法兰角座阀工作原理:
法兰气动角座阀当信号压力为零,由于弹簧的预紧力,使阀芯处于初始状态。当执行器接到信号压力时,活塞上产生推力,压缩弹簧带动推杆,使阀芯移动到极限位置,使角座阀全开/全关,从而达到切断或开启控制。气动法兰角座阀与其他阀门相比,具有投资经济、使用安全、免维护、寿命长的优点。随着工业自动化技术的普遍,采用PLC及集装控制阀可对其实现集中控制和远程控制,减少各种环境及人为干扰,从而进一步提高企业的装备水平。
气动法兰角座阀气动控制可准确控制气体、液体流量。阀体采用SUS304、SUS316 制作,气动执行器采用塑料、304、316等材质。
气动法兰角座阀性能参数
| 控制形式 | 直动式 | 阀体 | 不锈钢CF8M |
| 结构 | 角座阀 | 阀芯材料 | 不锈钢 |
| 接口 | G1/2-G2 | 阀座密封 | PTEF |
| 粘度 | 600mm2/s | 活塞密封 | FKM/NBR |
| 介质温度 | PTFE:-10℃~+180℃ | 安装 | 任何位置 |
| 环境温度 | -10℃~+60℃ | 控制介质 | 空气 中性 气体 蒸汽 |
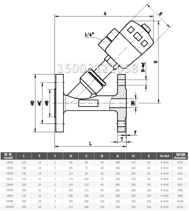
气动法兰角座阀主要零外形及连接尺寸
声明:本文中所有文字、数据、图片均只适用于参考。询价提供相关产品参数:产品名称、型号、口径、材质、介质、压力、温度、连接标准、数量等,如对产品有特殊要求,请在询价时一并提出。或者使用场合非常重要或环境比较复杂,请您尽量提供设计图纸和详细参数,由我们专业工程师为您审核选型。
感谢访问我司网站,如你对该产品还有任何疑问可致电我们,我们将为您提供优质的售前咨询服务。咨询手机:15002111058;电话:021-56051151。






