D673H气动对夹式硬密封蝶阀是由气动活塞式执行器与对夹式三偏心硬密封蝶阀组成,与电气阀门定位器配套,输入4~20mADC信号及0.4~0.7MPa气源即可控制运转,可实现对压力、流量、温度、液位等参数的调节。
气动硬密封蝶阀由阀体、蝶板、多层次阀座、阀杆、传动机构等主要部件组成,密封圈选用不锈钢制作,具有金属硬密封和弹性密封的双重优点,无论在低温和高温的情况下,均具有优良的密封性能,具有耐腐蚀,使用寿命长等特点。阀座采用硬密封兼容的多层次结构,加工精湛,工艺先进。
气动三偏心硬密封蝶阀被广泛地应用到冶金、电力、石油、化工、空气、煤气、可燃气体以及给排水等腐蚀性介质的管道上。
根据不同控制和要求可选择下列附件:
切断型附件:单电控电磁阀、双电控电磁阀、限位开关回讯器。
调节型附件:电气定位器、气动定位器、电气转换器。
气源处理附件:空气过滤减压阀、气源处理三联件。
采用新型系列GT型气动执行器,有双作用式和单作用式(弹簧复位),齿轮传动,安全可靠;大口径阀门采用系列AW型气动执行器拔叉式传动,结构合理,输出扭矩大,有双作用式和单作用式。
D673H气动对夹式硬密封蝶阀性能参数
| 型号 | D673H/Y | 连接方式 | 对夹式 | |
| 工作压力 | 1.0Mpa,1.6MPa,2.5MPa | 配置执行机构 |
GT、AT、AR、AW系列 单双作用双作用气动执行器 |
|
| 控制方式 |
开关两位控制、 4-20mA模拟量控制 |
可配附件 |
定位器、电磁阀、空气过滤减压器 、保位阀、行程开关、阀位传送器、手轮机构等 |
|
| 适用温度 | ≤425℃ | ≤200℃ | ||
| 适用介质 | 水、油或非腐蚀性介质 | 硝酸类介质 | 醋酸类介质 | |
| 材料 | 阀体、蝶板 | WCB | CF8/304 | CF3M/316L |
| 阀杆 | 2Cr13 | 304 | 316L | |
| 阀体密封面 | 堆焊507 | - | - | |
| 蝶板密封面 | 304+柔性石墨 | 304+PTFE | 304+PTFE | |
| 填料 | 柔性石墨 | PTFE | PTFE | |
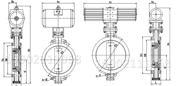
D643H气动对夹式硬密封蝶阀主要零外形及连接尺寸
| 公称通径 | 长度 | 外形尺寸 (参考值) | 连接尺寸 (标准值) | 连接尺寸 (标准值) | ||||||||||
|---|---|---|---|---|---|---|---|---|---|---|---|---|---|---|
| H | H2 | A2 | B2 | PN0.6MPa | PN1.0MPa | PN1.6MPa | PN2.5MPa | |||||||
| 毫米 | 英寸 | L | D1 | Z-d | D1 | Z-d | D1 | Z-d | D1 | Z-d | ||||
| 50 | 2 | 43 | 112 | 625 | 245 | 72 | 110 | 4-14 | 125 | 4-18 | 125 | 4-18 | 125 | 4-18 |
| 65 | 21/2 | 46 | 115 | 625 | 245 | 72 | 130 | 4-14 | 145 | 4-18 | 145 | 4-18 | 145 | 8-18 |
| 80 | 3 | 64 | 120 | 645 | 245 | 72 | 150 | 4-18 | 160 | 8-18 | 160 | 8-18 | 160 | 8-18 |
| 100 | 4 | 64 | 138 | 675 | 355 | 92 | 170 | 4-18 | 180 | 8-18 | 180 | 8-18 | 190 | 8-22 |
| 125 | 5 | 70 | 164 | 715 | 355 | 92 | 200 | 8-18 | 210 | 8-18 | 210 | 8-18 | 220 | 8-26 |
| 150 | 6 | 76 | 175 | 800 | 355 | 92 | 225 | 8-18 | 240 | 8-22 | 240 | 8-22 | 250 | 8-26 |
| 200 | 8 | 89 | 215 | 850 | 250 | 170 | 280 | 8-18 | 295 | 8-22 | 295 | 12-22 | 310 | 12-26 |
| 250 | 10 | 114 | 243 | 925 | 250 | 170 | 335 | 12-18 | 350 | 12-22 | 355 | 12-26 | 370 | 12-30 |
| 300 | 12 | 114 | 285 | 1035 | 450 | 220 | 395 | 12-22 | 400 | 12-22 | 410 | 12-26 | 430 | 16-30 |
| 350 | 14 | 127 | 320 | 1070 | 450 | 220 | 445 | 12-22 | 460 | 16-22 | 470 | 16-26 | 490 | 16-33 |
| 400 | 16 | 140 | 350 | 1190 | 450 | 220 | 495 | 16-22 | 515 | 16-26 | 525 | 16-30 | 550 | 16-36 |
| 450 | 18 | 152 | 350 | 1250 | 650 | 280 | 550 | 16-22 | 565 | 20-26 | 585 | 20-30 | 600 | 20-36 |
| 500 | 20 | 152 | 380 | 1290 | 650 | 280 | 600 | 20-22 | 620 | 20-26 | 650 | 20-33 | 660 | 20-36 |
| 600 | 24 | 154 | 435 | 1455 | 850 | 380 | 705 | 20-26 | 725 | 20-30 | 770 | 20-36 | 770 | 20-39 |
| 700 | 28 | 165 | 480 | 1585 | 850 | 380 | 810 | 24-26 | 840 | 24-30 | 840 | 24-36 | 875 | 24-42 |
| 800 | 32 | 190 | 530 | 1700 | 1250 | 380 | 920 | 24-30 | 950 | 24-33 | 950 | 24-39 | 990 | 24-48 |
| 900 | 36 | 203 | 595 | 1965 | 1250 | 380 | 1020 | 24-30 | 1050 | 28-33 | 1050 | 28-39 | 1090 | 28-48 |
| 1000 | 40 | 216 | 650 | 2015 | 1250 | 380 | 1120 | 28-30 | 1160 | 28-36 | 1170 | 28-42 | 1210 | 28-56 |
| 1200 | 48 | 254 | 775 | 2250 | 1250 | 380 | 1340 | 32-33 | 1380 | 32-39 | 1390 | 32-48 | 1420 | 32-56 |
声明:本文中所有文字、数据、图片均只适用于参考。询价提供相关产品参数:产品名称、型号、口径、材质、介质、压力、温度、连接标准、数量等,如对产品有特殊要求,请在询价时一并提出。或者使用场合非常重要或环境比较复杂,请您尽量提供设计图纸和详细参数,由我们专业工程师为您审核选型。
感谢访问我司网站,如你对该产品还有任何疑问可致电我们,我们将为您提供优质的售前咨询服务。咨询手机:15002111058;电话:021-56051151。






