产品介绍
J43W不锈钢法兰针型阀是一种可以精确调整的阀门,用途较广,比如火焰切割用的割距,调整火焰温度的旋钮。J43W仪表法兰针型阀是仪表测量管路系统中重要组成部分,功用是作开启或切断管道通路用。J43W法兰针型阀的阀芯就是一个很尖的圆锥体,好象针一样插入阀座,由此得名。
J43W法兰针型阀形比其他类型的阀门能够耐受更大的压力,密封性能好,所以一般用于较小流量,较高压力的气体或者液体介质的密封。
J43W法兰针型阀与压力表配合使用。一般的J43W法兰针型阀形都做成螺纹连接。
J43W法兰针型阀主要性能规范
| 产品名称 | J43W法兰针型截止阀 |
| 产品型号 | J43W |
| 公称通径 | DN6-40 |
| 压力范围 | 1.6MPa-16.0MPa |
| 阀体材质 | 不锈钢(304L/R、316L/R) |
| 结构特征 | 锥面密封 |
| 适用温度 | -29℃~+538℃ |
| 适用介质 | 水,油,气等腐蚀性与非腐蚀性介质 |
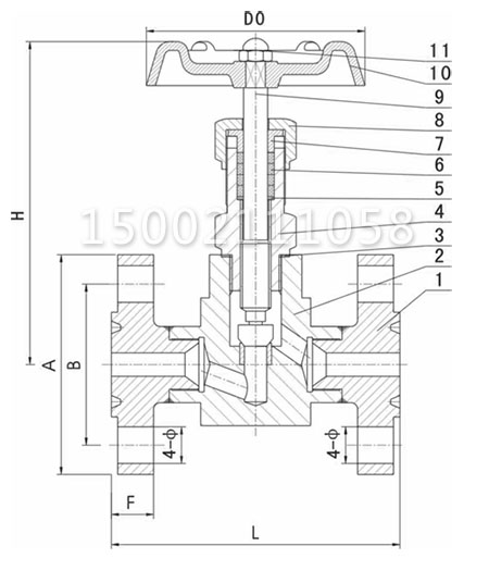
| 序号 NO. | 零件名称 Part name | 材质 Material |
| 1 | 法兰 Flang | 20# A105 SS304 SS304L SS316 SS316L |
| 2 | 阀体 Body | 20# A105 SS304 SS304L SS316 SS316L |
| 3 | 阀盖垫片 Bonnet Gasket | 紫铜(Red copper) PTFE |
| 4 | 阀盖Bonnet | 20# A105 SS304 SS304L SS316 SS316L |
| 5 | 填料垫 Packing Seat | PTFE 柔性石墨(Expanded Graphite) 金属盘根(Matel and Graphite) |
| 6 | 填料 Packing | PTFE 柔性石墨(Expanded Graphite) |
| 7 | 填料压盖 Packing Gland | 20# A105 SS304 SS304L SS316 SS316L |
| 8 | 锁紧螺母 Lock Nut | 20# A105 SS304 SS304L SS316 SS316L |
| 9 | 阀杆 Stem | 20# A105 SS304 SS304L SS316 SS316L |
| 10 | 手轮 Handle | 20# A105 SS304 SS304L SS316 SS316L |
| 11 | 带帽螺母 Hooded Nut | 20# A105 SS304 SS304L SS316 SS316L |
J43W法兰针型阀主要外形及连接尺寸
| 公称通径 DN | A | B | C | F | N-ø | L | H | D0 |
| DN10 | 90 | 60 | 41 | 14 | 4-ø14 | 130 | 90 | 60 |
| DN15 | 95 | 65 | 46 | 14 | 4-ø14 | 132 | 90 | 60 |
| DN20 | 105 | 75 | 56 | 16 | 4-ø14 | 150 | 105 | 80 |
| DN25 | 115 | 85 | 65 | 16 | 4-ø14 | 150 | 120 | 100 |
声明:本文中所有文字、数据、图片均只适用于参考。询价提供相关产品参数:产品名称、型号、口径、材质、介质、压力、温度、连接标准、数量等,如对产品有特殊要求,请在询价时一并提出。或者使用场合非常重要或环境比较复杂,请您尽量提供设计图纸和详细参数,由我们专业工程师为您审核选型。
感谢访问我司网站,如你对该产品还有任何疑问可致电我们,我们将为您提供优质的售前咨询服务。咨询手机:15002111058;电话:021-56051151。
更多产品






