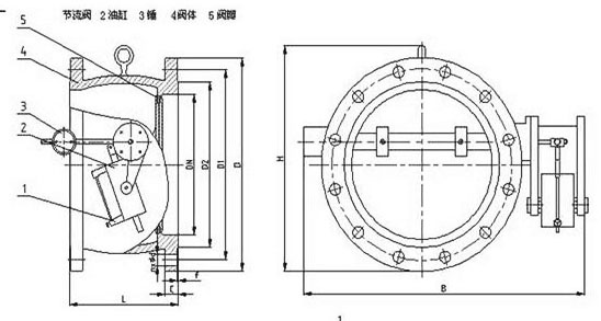
HH47X缓冲蝶式止回阀是由阀体、阀瓣、缓冲装置和微量调节阀组成。
应用范围:微阻缓闭止回阀可在海水、源木、污水、清水等介质管道上使用,通常是安装在水泵出口处的位置,它即可实现防止介质逆流,有可防止水锤的产生,从而保障阀门设备的使用安全。
缓冲蝶式止回阀工作原理:靠进口介质压力推动阀板开启,使介质通过,阀板通过转轴带动摇臂将缓冲液压缸中活塞杆拉到开启位置。当介质停止流动时,由于阀板自重及介质倒流的作用,使阀板自动关闭。由于缓冲液压缸的作用,阀板关闭分两阶段,从全开位置到运行了70°后,阻尼作用加大,为慢关阶段,消除破坏性水锤。
HH47X缓冲蝶式止回阀特点:
1、蝶式缓冲止回阀的阀门体采用轻量级Q的蝶式结构,比传统的止回阀体积更小,重量更轻,便于安装和维护。
2、运行平稳,无噪音、无水锤、无振动。
3、密封性能好,可以保证管道的密封,减少泄漏现象,保证管道的安全运行。
4、缓冲功能可以降低管道内的压力冲击,有效延长管道的使用寿命。
| 型号 |
公称压力 (MPa) |
强度试验压力(MPa) | 密封压力(MPa) |
适用温度 (℃) |
适用介质 | 缓闭时间 |
| HH47X | 1.0 | 1.5 | 1.1 | ≤80 |
水、油品 海水、污水 |
≤60秒 |
| 1.6 | 2.4 | 1.76 | ||||
| 2.5 | 3.75 | 2.75 |
| 零件名称 | 阀体 | 蝶板 | 阀杆 | 密封圈 | 填料 |
| 材料 | 铸铁、铸钢 | 灰铸铁、铸钢、球墨铸铁 | 不锈钢 |
丁腈耐油橡胶、 氯丁橡胶 |
聚四氟乙烯 |

|
公称通径 DN(mm) |
尺 寸(mm) | |||
| L | H | B1 | B2 | |
| 200 | 230 | 550 | 540 | 600 |
| 250 | 250 | 630 | 600 | 700 |
| 300 | 270 | 690 | 650 | 740 |
| 350 | 290 | 780 | 710 | 800 |
| 400 | 310 | 860 | 770 | 870 |
| 450 | 330 | 910 | 830 | 920 |
| 500 | 350 | 980 | 900 | 1000 |
| 600 | 390 | 1070 | 1090 | 1250 |
| 700 | 430 | 1220 | 1200 | 1360 |
| 800 | 470 | 1320 | 1320 | 1480 |
| 900 | 510 | 1430 | 1420 | 1580 |
| 1000 | 550 | 1550 | 1550 | 1700 |
| 1200 | 630 | 1800 | 1780 | 1950 |
| 1400 | 710 | 1980 | 2000 | 2175 |
声明:本文中所有文字、数据、图片均只适用于参考。询价提供相关产品参数:产品名称、型号、口径、材质、介质、压力、温度、连接标准、数量等,如对产品有特殊要求,请在询价时一并提出。或者使用场合非常重要或环境比较复杂,请您尽量提供设计图纸和详细参数,由我们专业工程师为您审核选型。
感谢访问我司网站,如你对该产品还有任何疑问可致电我们,我们将为您提供优质的售前咨询服务。咨询手机:15002111058;电话:021-56051151。






