气动高真空蝶阀 型号GIQ,是用来接通或切断真空管路中的气流,蝶阀的阀板采用夹紧结构,把阀板的密封圈夹紧,起到更好的密封作用。阀门开闭有锁定功能。通过电磁换向阀改变气路方向,控制执行气缸驱动蝶阀作启闭运动达到接通或切断真空管路中气流的目的。可选配反馈信号装置及电气阀门定位器。
气动高真空蝶阀适用的介质为空气及弱腐蚀性气体;是乳品、酒业、生物工程、食品、制药、饮料、化工、化妆品等领域的常选阀门;并已广泛应用于新能源、真空铸造、真空镀膜行业及半导体产业。
GIQ型气动高真空蝶阀通常把带有密封槽的法兰连接到长期处于真空状态的一端,而法兰的另一面连接在放大器一侧,正向使用蝶阀利于增加阀板的密封力。真空密封连接可以分为静密封和动密封。当气动高真空蝶阀以柔性密封连接时在真空橡胶的时候,是采用放气量较小的真空橡胶制成的厚壁管;多用于口径小于DN50的机械真空泵入口处与被抽气的管道相连接,借以减少机械泵工作时产生的振动对真空系统的影响。当然也可以用于连接在玻璃管、金属管及其他相关的元件的连接上。橡胶管与被连接件之间的连接是通过管接头实现的。
GIQ气动高真空蝶阀性能规范
| 公称通径(mm) | DN40-DN800 | ||||||
| 漏气速率(L/s) | ≦1.3×10-6 | ||||||
| 适用范围(Pa) | 10(5)~1.3×10(-5 ) | ||||||
| 介质温度(℃) |
-25~80(NBR) -30~150(PTFE) |
||||||
| 电源电压 |
标准出厂:AC220V/50Hz 特殊指定:AC220V;DC24V;DC12V |
||||||
| 电磁换向阀功率(W) | 10 | ||||||
| 气源压力(MPa) | 0.4~0.8 | ||||||
| 启闭时间(S) | <3 | ||||||
| 开阀时,阀板两侧压力差(KPa) | ≤101 | ||||||
| 执行器型号 |
GT、AT、AW系列 标准出厂:双作用式 ;特殊指定:单作用式;常开或常闭 |
||||||
| 气源接口 | G1/4"、G1/8"、G3/8"、G1/2" | ||||||
| 作用形式 |
单作用执行机构:气关式(B)--失气时阀位开(FO);气开式(K)--失气时阀位关(FC) 双作用执行机构:气关式(B)--失气时阀位保持(FL);气开式(K)--失气时阀位保持(FL) |
||||||
| 信号反馈及防爆配件 |
标准出厂:AC220V/50Hz 特殊指定:限位信号反馈开关 隔爆信号反馈开关 防爆电磁阀线圈 智能型定位器(4~20mA) |
||||||
GIQ气动高真空蝶阀材质
| 零件名称 | 阀体和蝶板 | 构件 | 密封垫(阀体、蝶板) |
| 材料 | 碳素钢(镀镍) | 2Cr13 | 丁腈橡胶 |
| 不锈钢 | 不锈钢 | 不锈钢 | 丁腈橡胶/氟橡胶 |
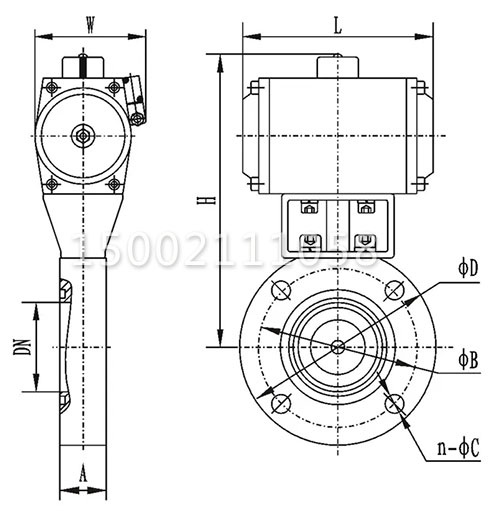
GIQ气动高真空蝶阀主要外形及连接尺寸
| 型号 | DN | 主要连接尺寸(mm) |
重量 (Kg) |
|||
| ΦB | ΦD | A | n-ΦC | |||
| GIQ-40 | 40 | 70 | 85 | 22 | 4-Φ9 | 2 |
| GIQ-50 | 50 | 90 | 110 | 4-Φ9 | 3 | |
| GIQ-65 | 65 | 110 | 130 | 26 | 4-Φ9 | 4 |
| GIQ-80 | 80 | 125 | 145 | 30 | 4-Φ9 | 5.5 |
| GIQ-100 | 100 | 145 | 170 | 4-Φ12 | 6 | |
| GIQ-150 | 150 | 195 | 220 | 35 | 8-Φ12 | 10 |
| GIQ-200 | 200 | 250 | 275 | 40 | 8-Φ12 | 16 |
| GIQ-250 | 250 | 300 | 330 | 45 | 8-Φ12 | 21 |
| GIQ-300 | 300 | 350 | 380 | 55 | 8-Φ14 | 30 |
| GIQ-400 | 400 | 465 | 500 | 60 | 8-Φ18 | 56 |
| GIQ-500 | 500 | 565 | 600 | 80 | 12-Φ18 | 95 |
| GIQ-600 | 600 | 670 | 710 | 100 | 12-Φ21 | 148 |
| GIQ-800 | 800 | 880 | 920 | 130 | 20-Φ21 | 220 |
声明:本文中所有文字、数据、图片均只适用于参考。询价提供相关产品参数:产品名称、型号、口径、材质、介质、压力、温度、连接标准、数量等,如对产品有特殊要求,请在询价时一并提出。或者使用场合非常重要或环境比较复杂,请您尽量提供设计图纸和详细参数,由我们专业工程师为您审核选型。
感谢访问我司网站,如你对该产品还有任何疑问可致电我们,我们将为您提供优质的售前咨询服务。咨询手机:15002111058;电话:021-56051151。






