Introduction
The pneumatic soft seal flange butterfly valve series consists of valve body, butterfly plate, valve stem and pneumatic actuator. The pneumatic actuator is driven by compressed air to drive the valve stem to rotate, and the driving butterfly plate rotates 90 degrees to achieve the opening and closing effect. Flange connection, simple structure, easy installation, especially suitable for short installation distance and large diameter pipelines. By selecting different types of pneumatic actuators, it can meet different process control requirements and is widely used in a variety of automatic control pipelines and devices.
|
Actuator Size
|
DA32 ~ DA400 / SR52 ~ SR400
|
|
Air Pressure
|
2.5 to 8 bar (Based on 5.5 bar air supply as standard)
|
|
Ambient Temp
|
-15 to 80°C (Low and high temp versions also available)
|
|
Cycle Life
|
500,000 Operations
|
1,000,000 Operations availiable
|
|
Indicator
|
Multifunctional position indicator for visual inspection
|
|
Travel Stops
|
External adjustable ± 5% in both open & closed position
|
|
Body
|
Hard anodised extruded aluminum alloy
|
|
Springs
|
High tensile steel
|
|
Piston Seals
|
NBR Steel
|
|
Piston
|
Aluminium alloy
|
|
End Caps
|
Die cast aluminum epoxy coated
|
|
Pinion shaft
|
Alloy steel nickle plated
|
Butterfly Valves
|
Port Thread
|
Flanged
|
|
Material
|
|
Body
|
Ductile Iron,SS304,SS316
|
|
Seat
|
EPDM
|
|
Bottom Shaft
|
SS410,SS304,SS316
|
|
Disc
|
SS304,SS316
|
|
Upper Shaft
|
SS410,SS304,SS316
|
|
Bushing
|
Polymer
|
|
O-ring
|
EPDM
|
|
Technical Data
|
|
Port Size Range
|
DN50-DN450
|
|
Structure
|
Midline structure
|
|
Voltage
|
DC-12V,24V;AC-24V,120V,240V/60Hz;110V,220V50Hz
|
|
Voltage Tolerance
|
±10%
|
|
Suitable Medium
|
Air,water,steam,oil,etc
|
|
Medium Temperature
|
-30~180℃(-22F-356F)
|
|
Woriking Pressure
|
1.0/1.6 MPa(10/16 bar)
|
|
Body Materia
|
Cast Steel,Cast Iron,is optional.
|
|
Seat Material
|
NBR,PTFE is optional
|
|
Mounting
|
IS05211
|
|
Torque Output
|
30Nm to1000Nm (2000Nm on request)
|
|
Drive way
|
Lever or wom gearis optional
|
Actuator Accessories
|
HVM
|
Valve Position Monitor (Limit Switchboxes)
|
|
4M310
|
NUMAR Solenoid Valves
|
|
HDM
|
Declutch Manual Override
|
|
YT Model
|
Pnuematic positioner / pneumatic pneumatic positioner
|
|
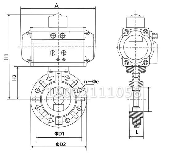
DN(mm)
|
ΦD1
|
ΦD2
|
H1
|
H2
|
A
|
L
|
n-Φe
|
|
50
|
123
|
160
|
208
|
87
|
160
|
44
|
4-18
|
|
65
|
143
|
185
|
217
|
96
|
160
|
48
|
4-18
|
|
80
|
157
|
195
|
235
|
114
|
160
|
53
|
4-18
|
|
100
|
186
|
215
|
256
|
127
|
189
|
57
|
8-18
|
|
125
|
213
|
250
|
286
|
157
|
189
|
68
|
8-18
|
|
150
|
240
|
285
|
334
|
170
|
266
|
73
|
8-22
|
|
200
|
296
|
340
|
377
|
213
|
266
|
92
|
8-22
|